Curiosii for ever!
: Car repair manuals for everyone.
Home
>>
Toyota
>>
2007
>>
Prius L4-1.5L (1NZ-FXE) Hybrid
>>
Repair and Diagnosis
>>
Powertrain Management
>>
Computers and Control Systems
>>
Information Bus
>>
Testing and Inspection
>>
Component Tests and General Diagnostics
>>
Skid Control ECU Communication Stop Mode
Skid Control ECU Communication Stop Mode
Skid Control ECU Communication Stop Mode
DESCRIPTION
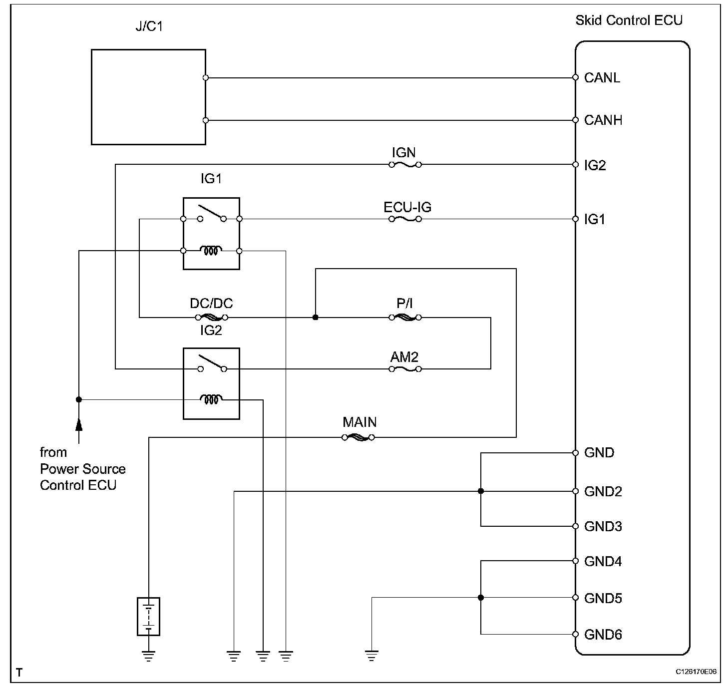
Wiring Diagram:
Step 1-2:
Step 2 (Continued):
INSPECTION PROCEDURE