Curiosii for ever!
: Car repair manuals for everyone.
Home
>>
Toyota
>>
2007
>>
Prius L4-1.5L (1NZ-FXE) Hybrid
>>
Repair and Diagnosis
>>
Powertrain Management
>>
Computers and Control Systems
>>
Information Bus
>>
Testing and Inspection
>>
Component Tests and General Diagnostics
>>
ECM Communication Stop Mode
ECM Communication Stop Mode
ECM Communication Stop Mode
DESCRIPTION
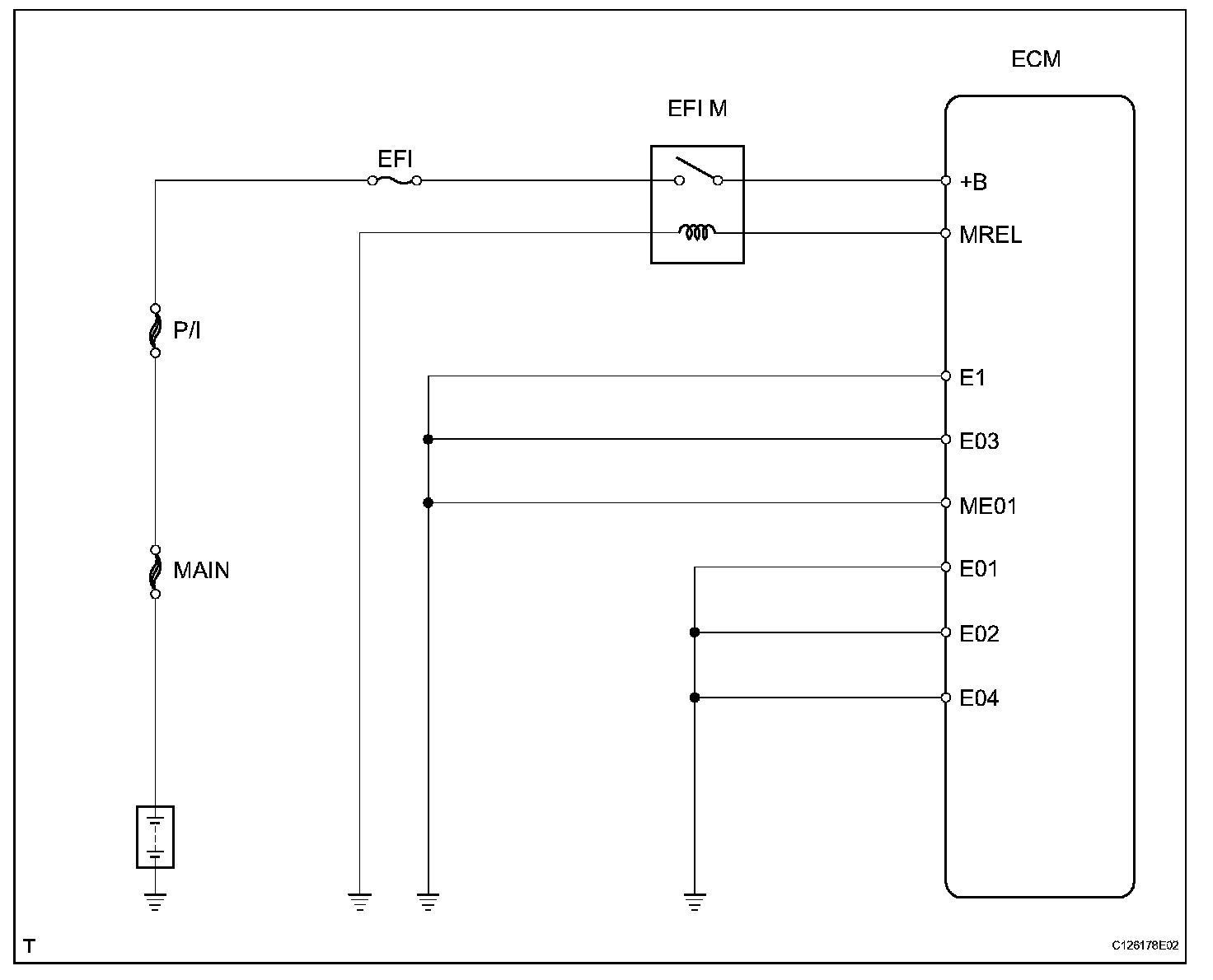
Wiring Diagram:
Step 1:
INSPECTION PROCEDURE