Curiosii for ever!
: Car repair manuals for everyone.
Home
>>
Toyota
>>
2007
>>
Corolla L4-1.8L (1ZZ-FE)
>>
Repair and Diagnosis
>>
Transmission and Drivetrain
>>
Manual Transmission/Transaxle
>>
Service and Repair
>>
Overhaul
>>
Manual Transaxle Unit
>>
Components
Components
COMPONENTS (Part 1):
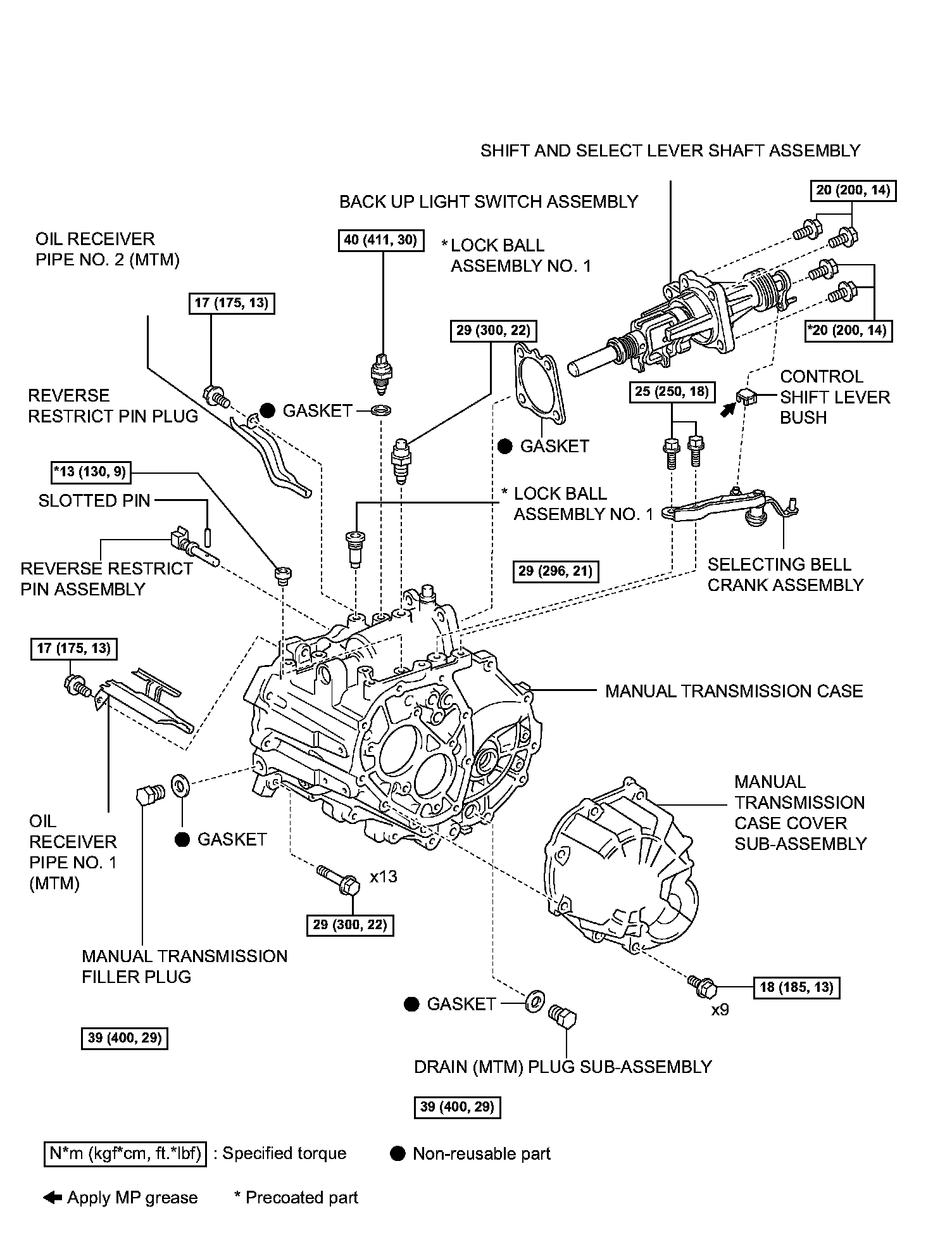
COMPONENTS (Part 2):
COMPONENTS (Part 3):
COMPONENTS (Part 4):
COMPONENTS (Part 5):