Curiosii for ever!: Car repair manuals for everyone.

Check CAN Bus Line

Check CAN Bus Line

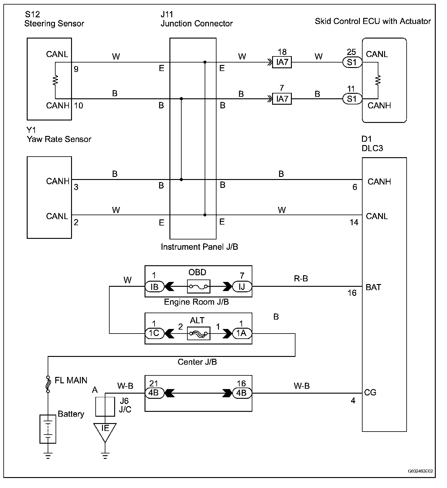
DESCRIPTION
When any DTC for the CAN communication is output, first measure the resistance between the terminals of the DLC3 and the yaw rate sensor connector to specify the trouble area.

Wiring Diagram:





INSPECTION PROCEDURE

Step 1-3:




Step 3(Continued):