Curiosii for ever!
: Car repair manuals for everyone.
Home
>>
Toyota
>>
2007
>>
Corolla L4-1.8L (1ZZ-FE)
>>
Repair and Diagnosis
>>
Accessories and Optional Equipment
>>
Antitheft and Alarm Systems
>>
Alarm Module
>>
Testing and Inspection
>>
Engine Immobilizer System
Engine Immobilizer System
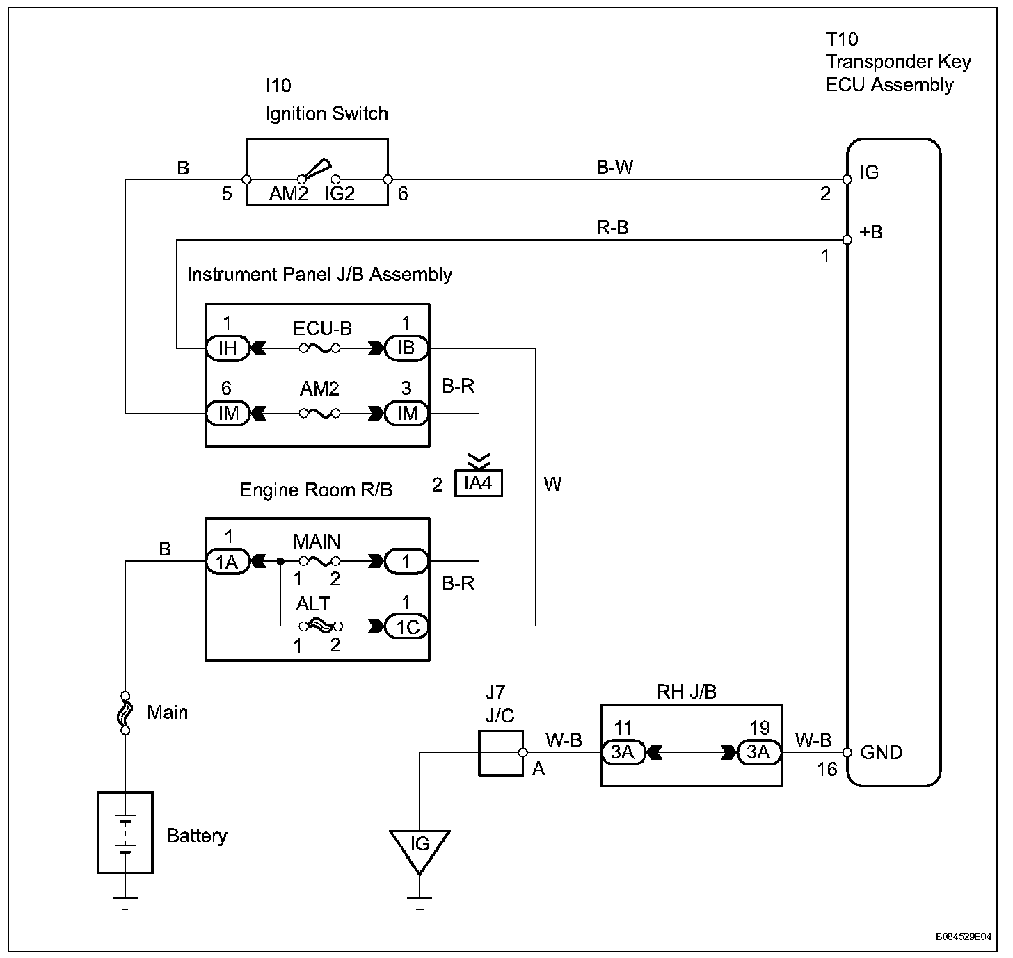
ECU Power Source Circuit
DESCRIPTION
This circuit provides power to operate the transponder key ECU assembly.
Wiring Diagram:
Step 1-2:
INSPECTION PROCEDURE