Curiosii for ever!: Car repair manuals for everyone.

Computers and Control Systems: Description and Operation

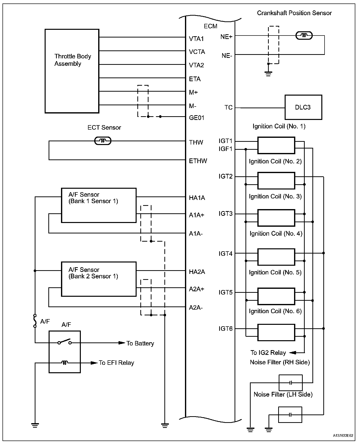
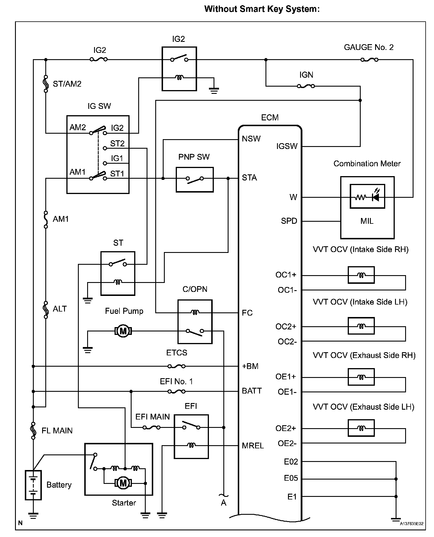
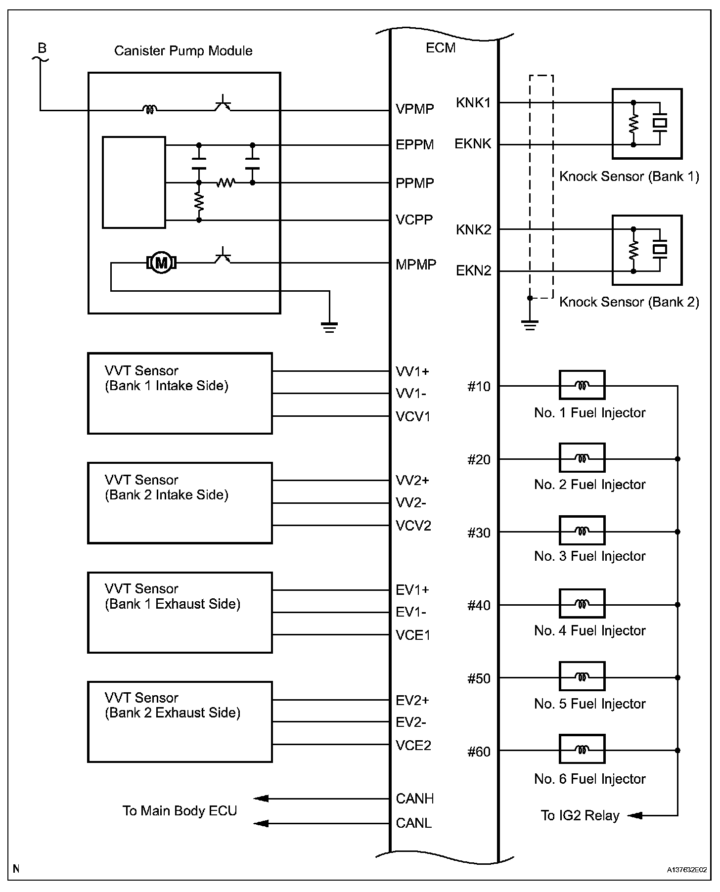
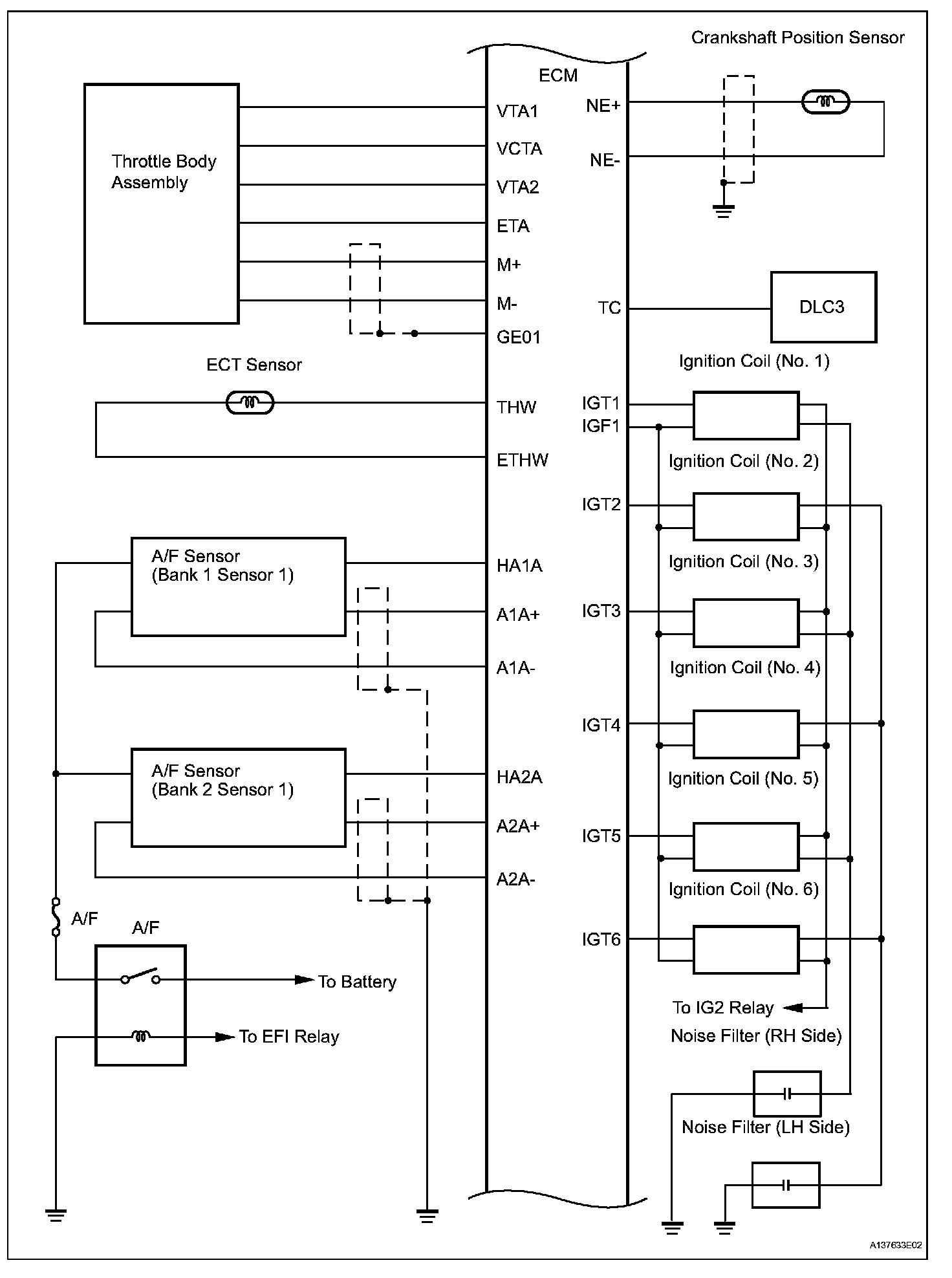
System Diagram-Without Smart Key System (Part 1):



System Diagram-Without Smart Key System (Part 2):



System Diagram-Without Smart Key System (Part 3):



System Diagram-Without Smart Key System (Part 4):



System Diagram-Without Smart Key System (Part 5):



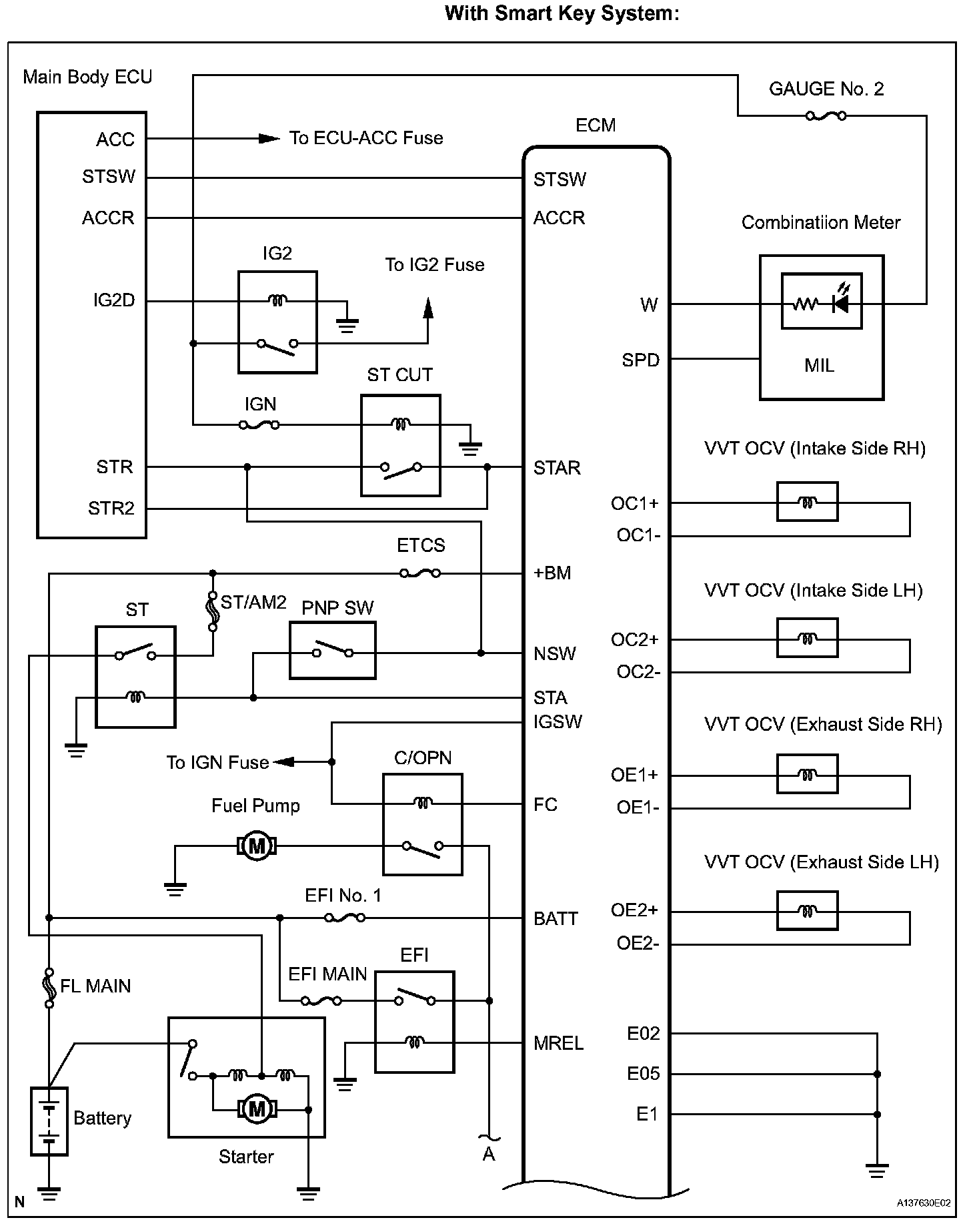
System Diagram-With Smart Key System (Part 1):



System Diagram-With Smart Key System (Part 2):



System Diagram-With Smart Key System (Part 3):



System Diagram-With Smart Key System (Part 4):



System Diagram-With Smart Key System (Part 5):