Curiosii for ever!: Car repair manuals for everyone.

Short to B+ in CAN Bus Line

Short to B+ in CAN Bus Line

DESCRIPTION




A short to B+ is suspected in the CAN bus wire when the resistance between terminals 6 (CANH) and 16 (BAT), or terminals 14 (CANL) and 16 (BAT) of the DLC3 is below 6 k Ohms.

Wiring Diagram (Part 1):




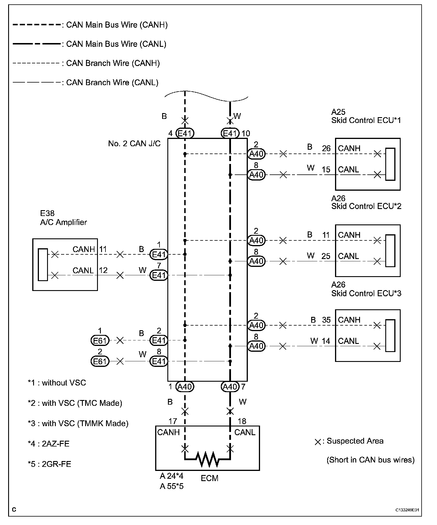
Wiring Diagram (Part 2):






INSPECTION PROCEDURE

NOTE:
- Turn the ignition switch off before measuring the resistance of the CAN main wire and CAN branch wires.
- After the ignition switch is turned off, check that the key reminder warning system and light reminder warning system are not operating.
- Before measuring the resistance, leave the vehicle as is for at least 1 minute and do not operate the ignition switch, any other switches or the doors. If doors need to be opened in order to check connectors, open the doors and leave them open.

HINT: Operating the ignition switch, any other switches or any triggers related ECU and sensor communication on the CAN, which would cause resistance reading variations.

Step 1:




Step 2-3:




Step 3(Continued):




Step 3(Continued):




Step 3(Continued)-5:




Step 5(Continued)-6:




Step 7-8:




Step 9:




Step 10:




Step 11:




Step 12:




Step 13: