Curiosii for ever!: Car repair manuals for everyone.

ECU Power Source Circuit

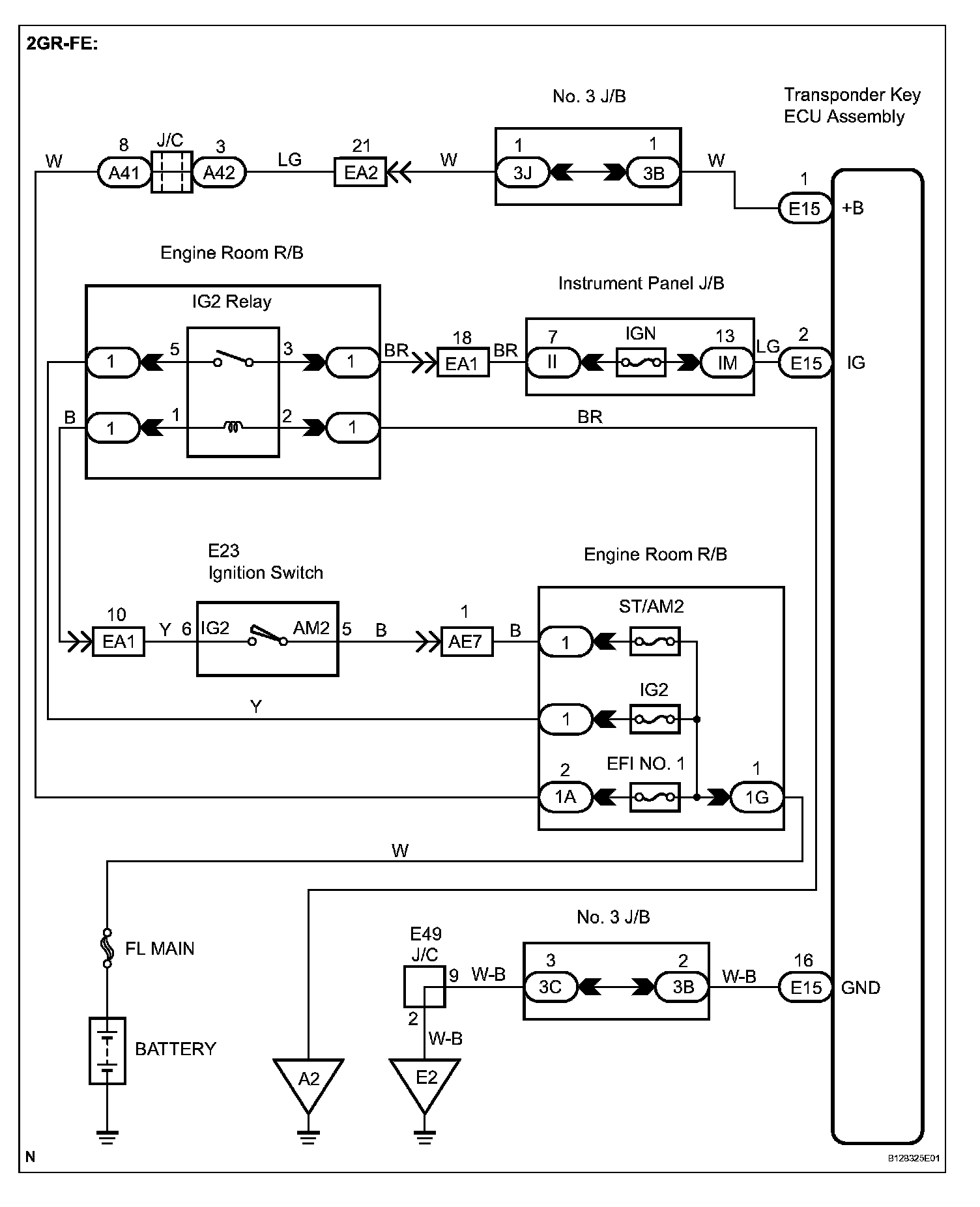
ECU Power Source Circuit

DESCRIPTION
This circuit provides power to operate the transponder key ECU assembly.

Wiring Diagram (2AZ-FE):




Wiring Diagram (2GR-FE):






Step 1-2:




INSPECTION PROCEDURE

NOTE: If the transponder key ECU assembly is replaced, register the key and ECU communication ID