Curiosii for ever!: Car repair manuals for everyone.

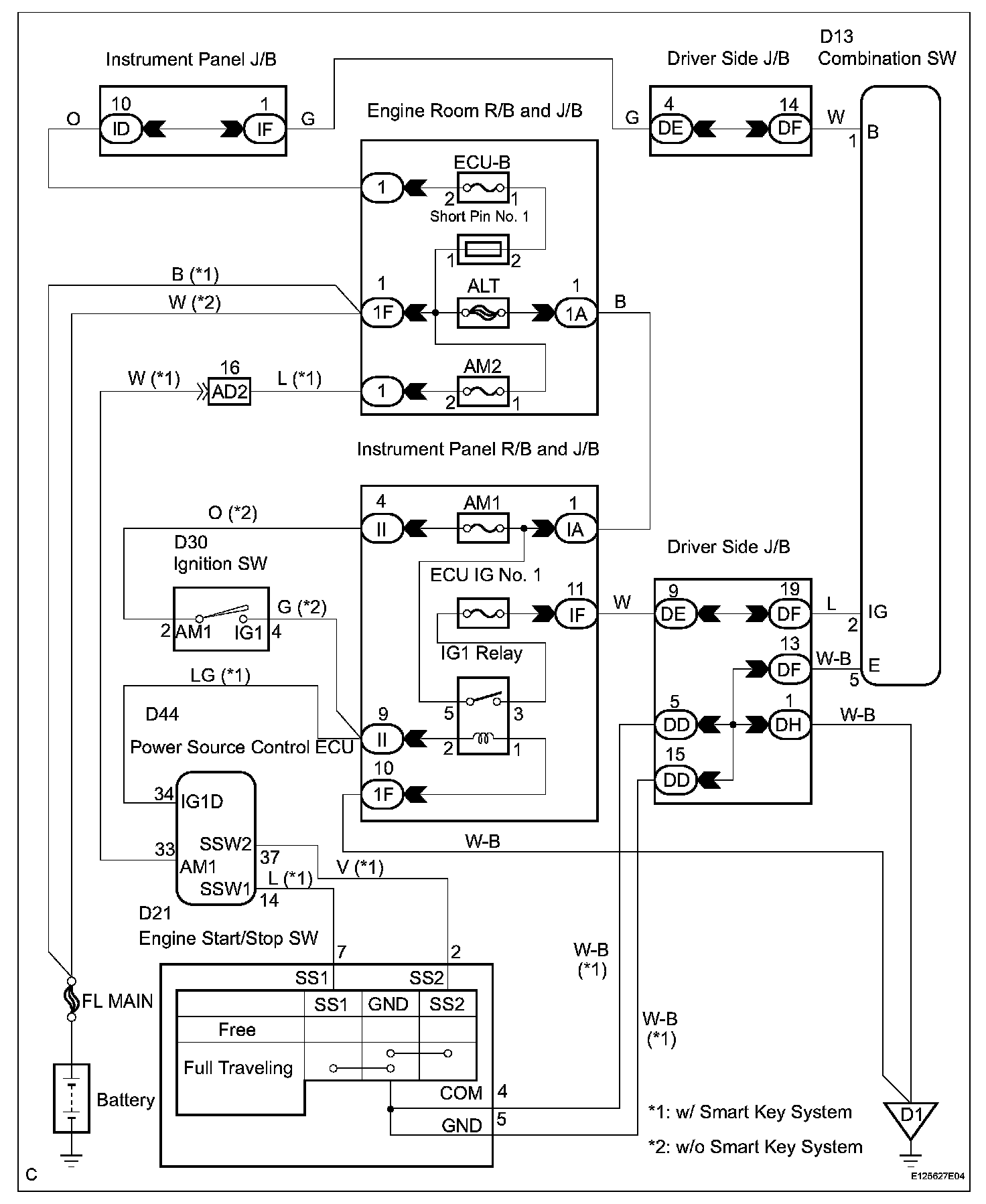
Combination Switch ECU Power Source Circuit

Combination Switch ECU Power Source Circuit

DESCRIPTION
This circuit provides power to the combination switch.

Wiring Diagram:





INSPECTION PROCEDURE

HINT: Before performing this procedure, check that DTCs for the multiplex communication system are not output.

Step 1-3: