Curiosii for ever!: Car repair manuals for everyone.

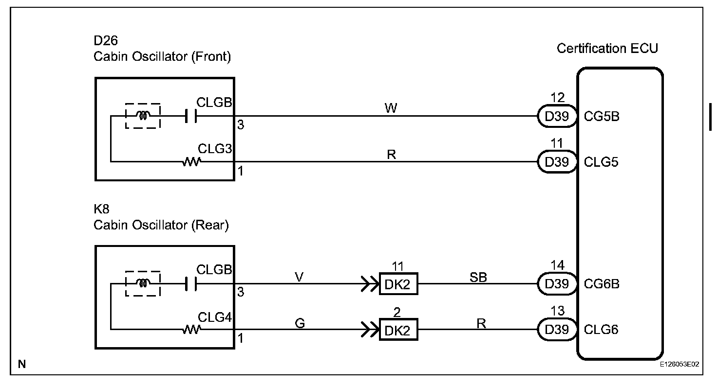
Room Oscillator Circuit

Room Oscillator Circuit

DESCRIPTION
The certification ECU activates the front and rear cabin oscillators. The power is supplied from the certification ECU to both the front and rear cabin oscillators. The front and rear cabin oscillator circuits have the same wiring. If the smart key system does not operate properly inside the vehicle, check the circuit for their oscillators.

Wiring Diagram:





INSPECTION PROCEDURE

Step 1:




Step 1(Continued)-2: