Curiosii for ever!: Car repair manuals for everyone.

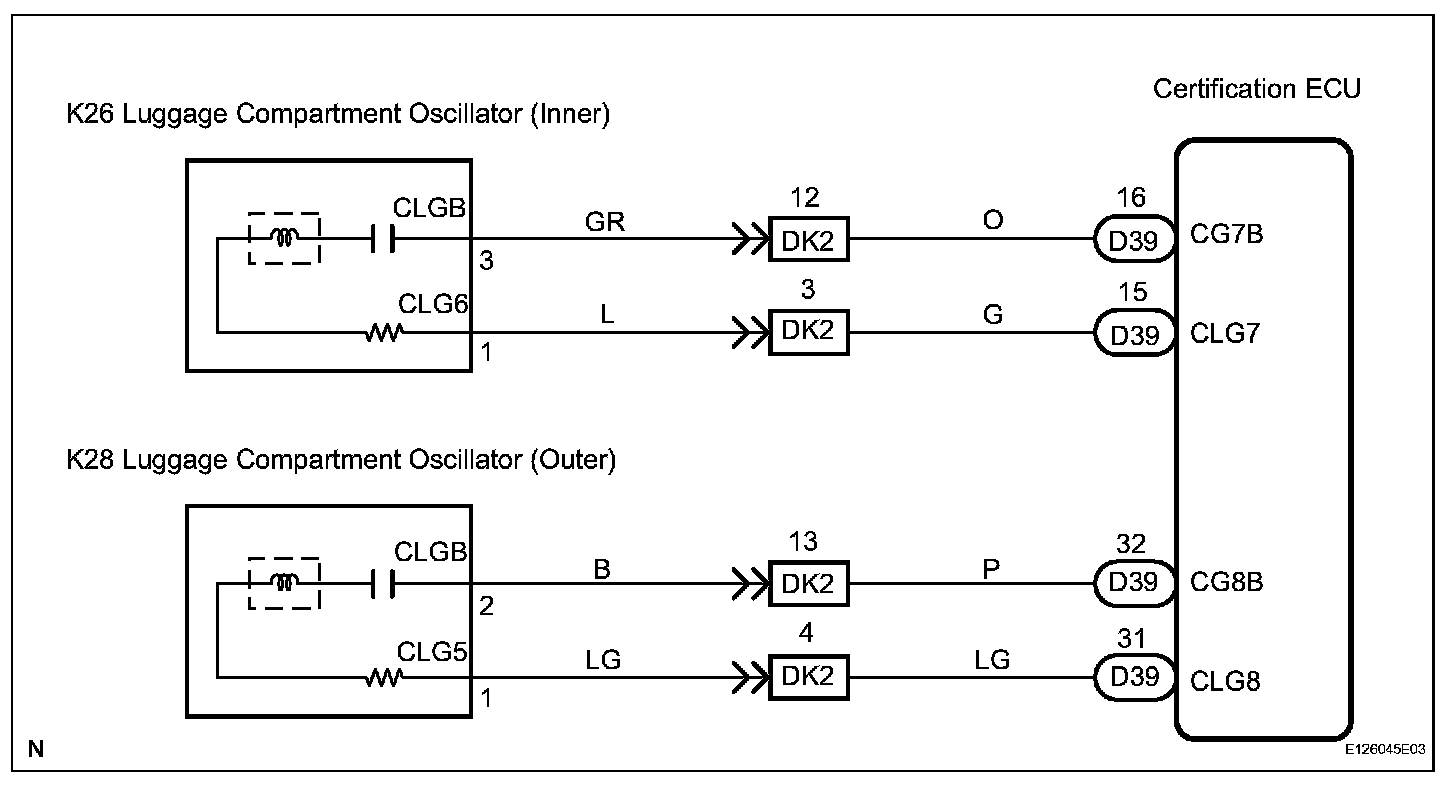
Luggage Oscillator Circuit

Luggage Oscillator Circuit

DESCRIPTION
The certification ECU activates the inner and outer luggage compartment oscillators. The power is supplied from the certification ECU to both the inner and outer luggage compartment oscillators. The inner and outer luggage compartment oscillator circuits have the same wiring. If the entry luggage compartment function has a malfunction, check the circuit for the malfunctioning oscillator.

Wiring Diagram:





INSPECTION PROCEDURE

Step 1:




Step 1(Continued)-2:




Step 2(Continued):