Curiosii for ever!
: Car repair manuals for everyone.
Home
>>
Toyota
>>
2007
>>
Avalon V6-3.5L (2GR-FE)
>>
Repair and Diagnosis
>>
Starting and Charging
>>
Starting System
>>
Testing and Inspection
>>
Component Tests and General Diagnostics
>>
Smart Key System (Door Lock System)
>>
Door Oscillator Circuit
Door Oscillator Circuit
Door Oscillator Circuit
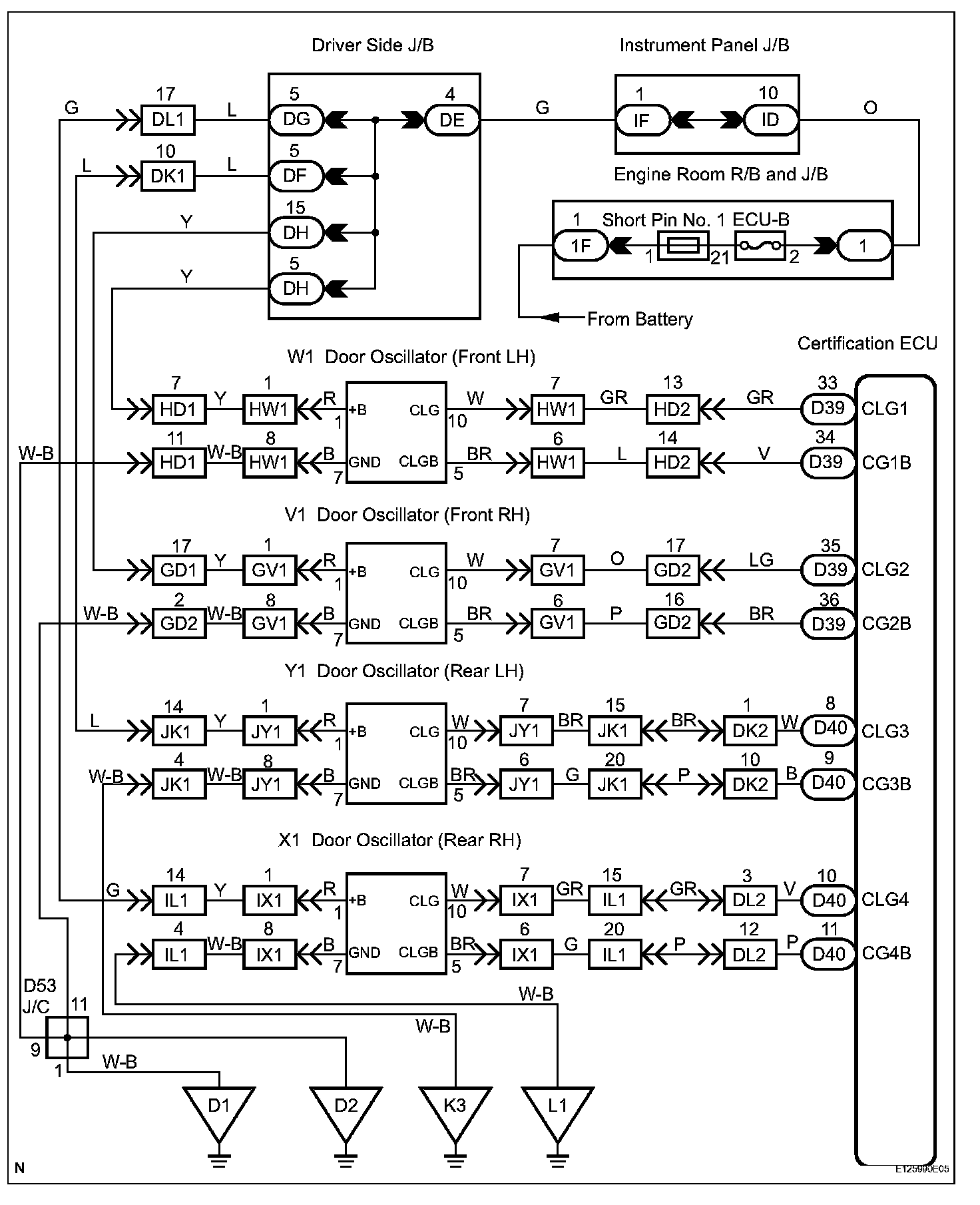
DESCRIPTION
Door oscillators are built into each door. Each of them forms its own action area around its door and detects the presence of the key.
Wiring Diagram:
INSPECTION PROCEDURE
Step 1-2:
Step 2(Continued)-4:
Step 4(Continued):