Curiosii for ever!
: Car repair manuals for everyone.
Home
>>
Toyota
>>
2007
>>
Avalon V6-3.5L (2GR-FE)
>>
Repair and Diagnosis
>>
Powertrain Management
>>
Ignition System
>>
Description and Operation
Ignition System: Description and Operation
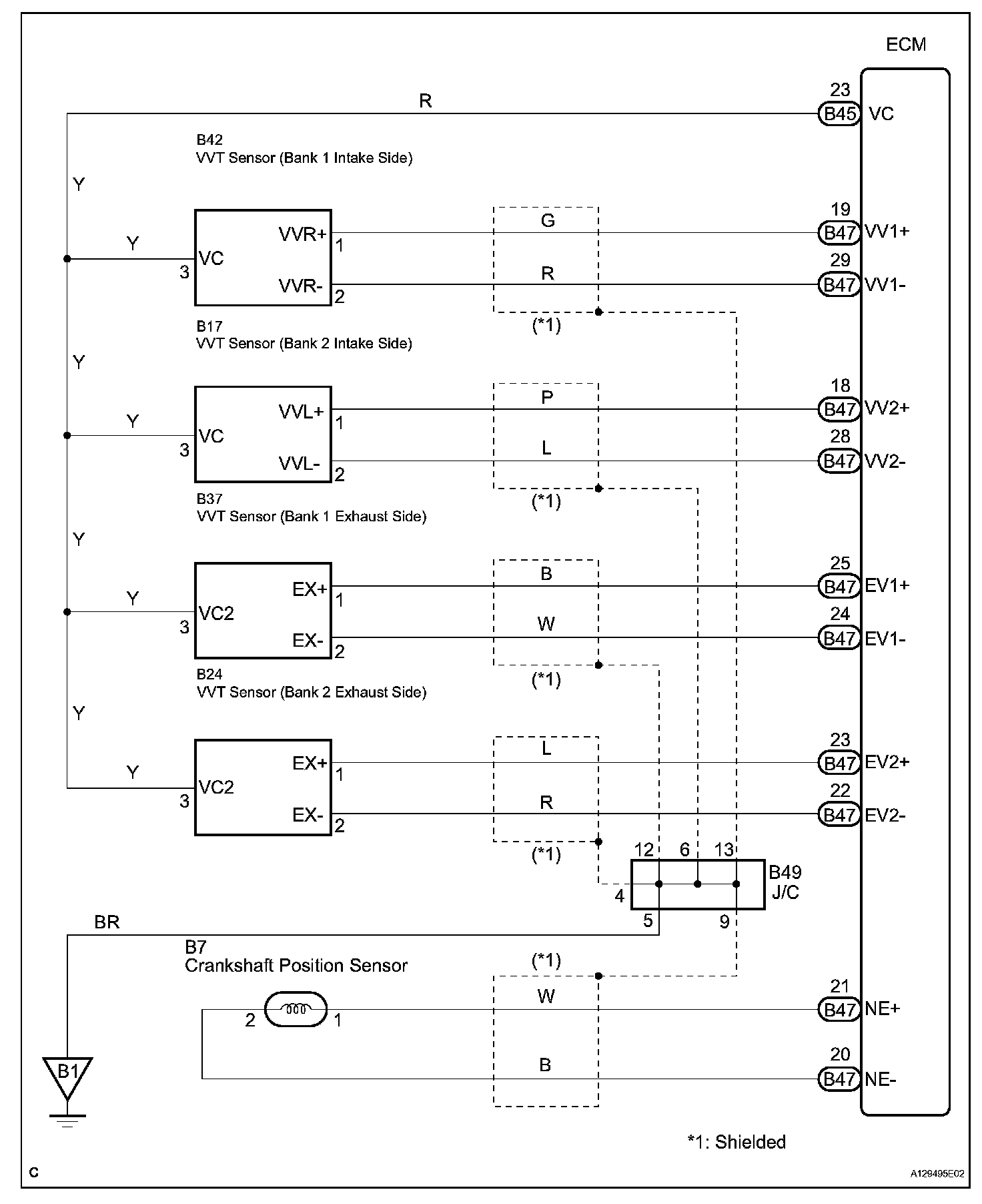
System Diagram (Part 1):
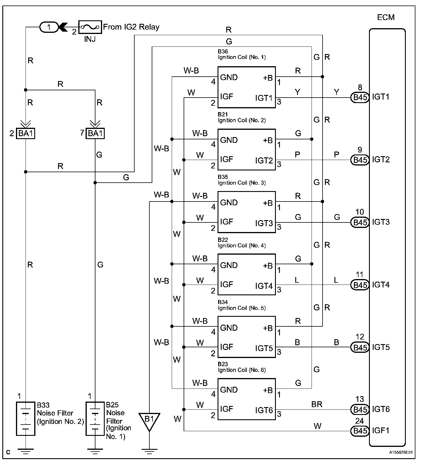
System Diagram (Part 2):