Curiosii for ever!: Car repair manuals for everyone.

Check CAN Bus Lines For Short Circuit

Check CAN Bus Lines for Short Circuit

DESCRIPTION




There may be a short circuit between the CAN bus lines when the resistance between terminals 6 (CANH) and 14 (CANL) of the DLC3 is below 54 ohms.

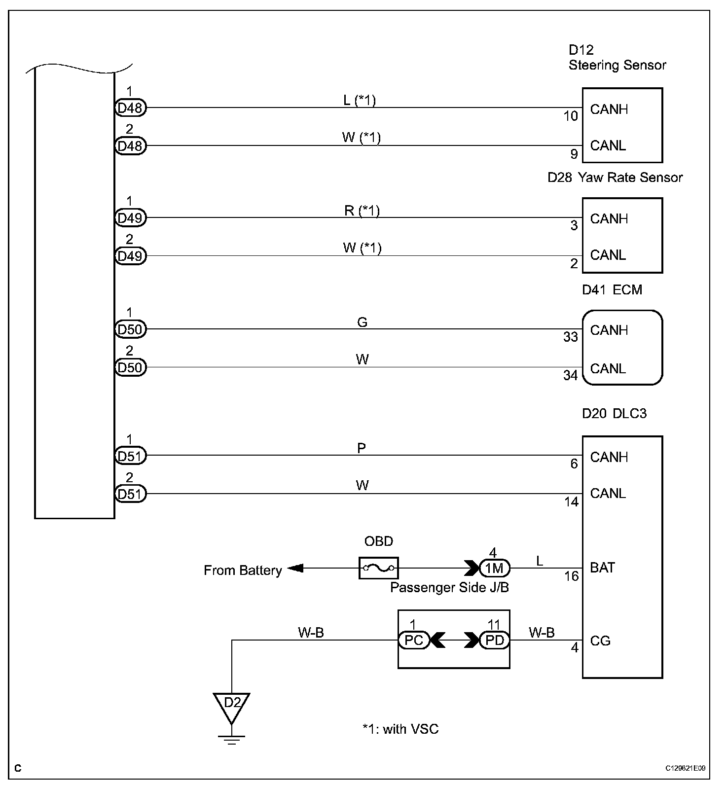
Wiring Diagram (Part 1):




Wiring Diagram (Part 2):






Step 1-2:




Step 3-4:




Step 5-7:




Step 7(Continued)-9:




Step 9(Continued)-12:




Step 13-15:




Step 15(Continued)-17:




Step 18-20:




Step 21-24:




Step 24(Continued)-25:




INSPECTION PROCEDURE