Curiosii for ever!: Car repair manuals for everyone.

Check CAN Bus Line For Short to GND

Check CAN Bus Line for Short to GND

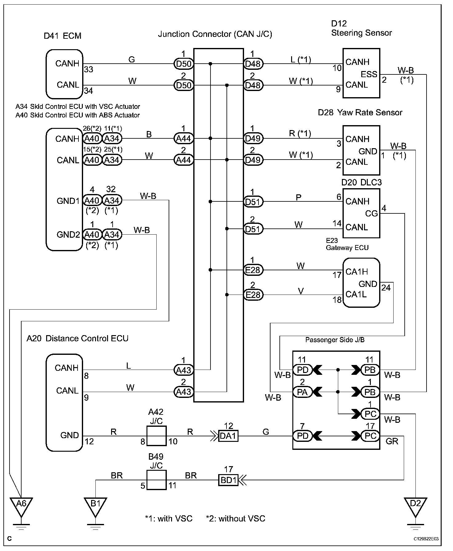
DESCRIPTION




There may be a short circuit between the CAN bus line and GND when there is resistance between terminals 6 (CANH) and 4 (CG), or terminals 14 (CANL) and 4 (CG), of the DLC3.

Wiring Diagram:






Step 1-2:




Step 3-4:




Step 5-7:




Step 7(Continued)-9:




Step 9(Continued)-12:




Step 13-15:




Step 15(Continued)-17:




Step 18-20:




Step 21-23:




Step 24-25:




INSPECTION PROCEDURE