Component Tests and General Diagnostics
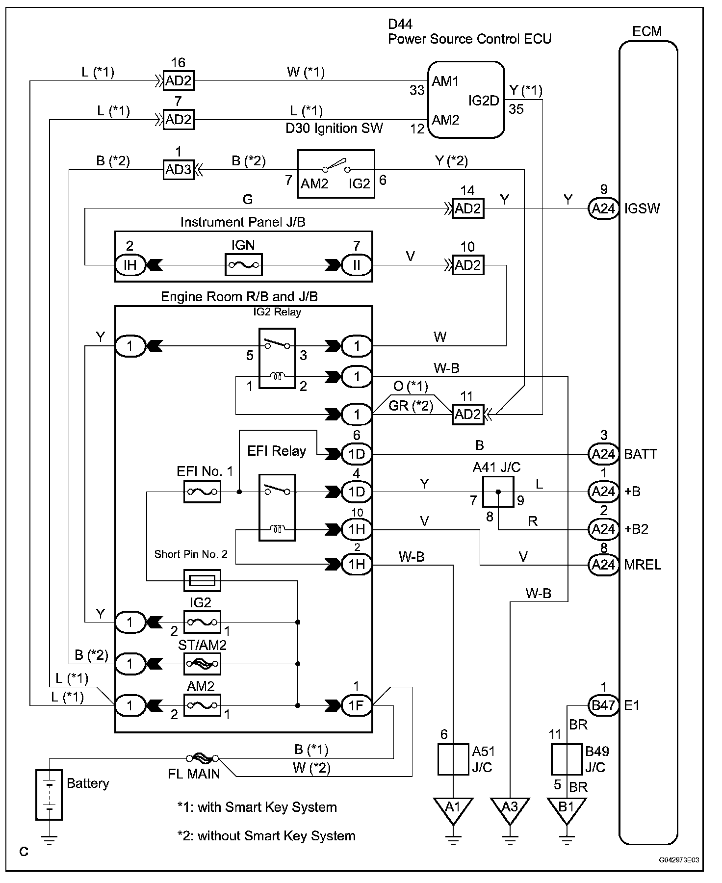
ECM Power Source CircuitDESCRIPTION
When the ignition switch is turned on (IG), the battery voltage is applied to terminal IGSW of the ECM. The ECM MREL output signal causes a current to flow to the coil, closing the contacts of the EFI relay and supplying power to terminal +B of the ECM.
If the ignition switch is turned off, the ECM holds the EFI relay ON for a maximum of 2 seconds to allow for the initial setting of the throttle valve.
Wiring Diagram:
Step 1-3:
Step 4-6:
Step 7-8:
Step 9:
INSPECTION PROCEDURE