Curiosii for ever!: Car repair manuals for everyone.

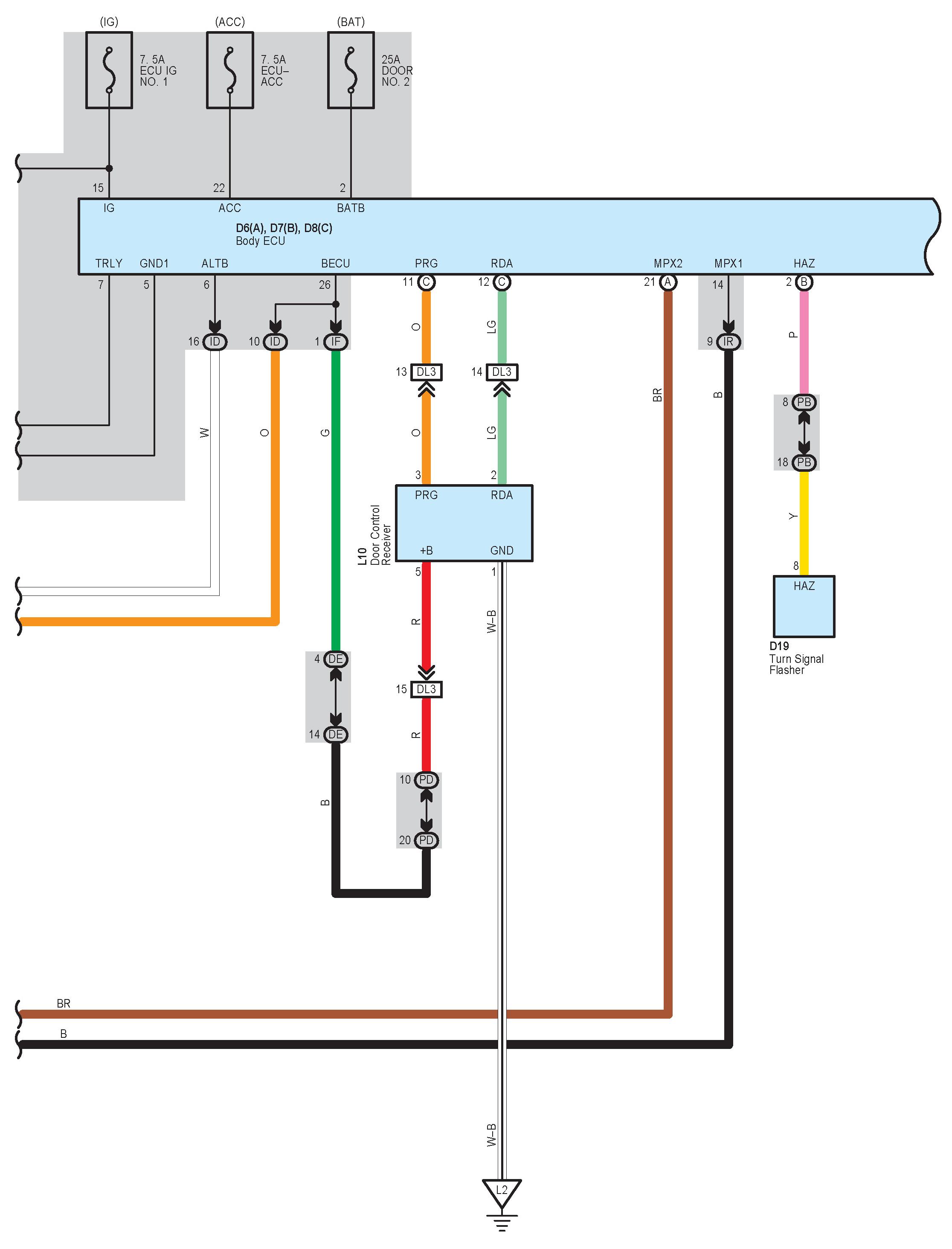
Wireless Door Lock Control Without Smart Key System

Wireless Door Lock Control Without Smart Key System Part 1:




Wireless Door Lock Control Without Smart Key System Part 2:




Wireless Door Lock Control Without Smart Key System Part 3:




Wireless Door Lock Control Without Smart Key System Part 4:




Wireless Door Lock Control Without Smart Key System Part 5:




Wireless Door Lock Control Without Smart Key System Part 6:




Wireless Door Lock Control Without Smart Key System Part 7:




Diagram Legend Part 1:




Diagram Legend Part 2:






Locations: The locations of components, connectors, ground points, and splices referred to within these diagrams can be found at Vehicle Locations. Locations

Connector Views: The connector views for connectors referred to within these diagrams can be found at Vehicle level Connector Views. Connector Views