Curiosii for ever!
: Car repair manuals for everyone.
Home
>>
Toyota
>>
2007
>>
Avalon V6-3.5L (2GR-FE)
>>
Repair and Diagnosis
>>
Accessories and Optional Equipment
>>
Navigation System
>>
Testing and Inspection
>>
Component Tests and General Diagnostics
>>
Multi-Display Power Source Circuit
Multi-Display Power Source Circuit
Multi-display Power Source Circuit
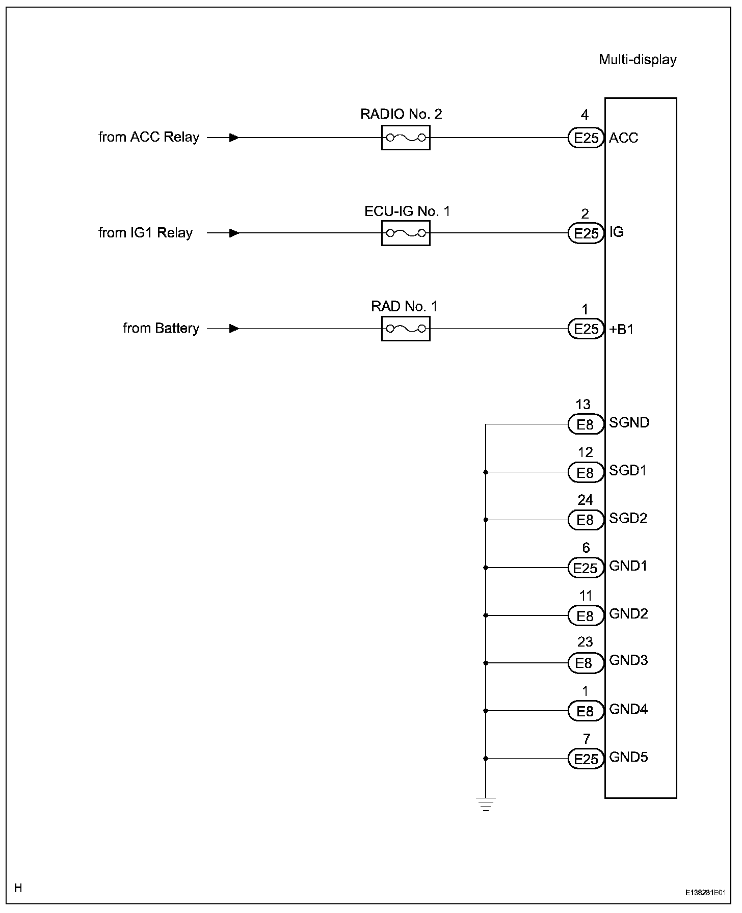
DESCRIPTION
This is the power source circuit to operate the multi-display.
Wiring Diagram:
INSPECTION PROCEDURE
Step 1: