Curiosii for ever!: Car repair manuals for everyone.

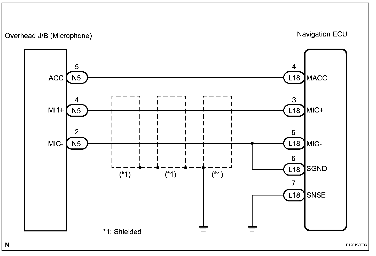
Microphone Circuit Between Overhead J/B and Navigation ECU

Microphone Circuit between Overhead J/B and Navigation ECU

DESCRIPTION
This circuit sends a microphone signal from the overhead J/B to the navigation ECU. It also supplies power from the navigation ECU to the overhead J/B.

Wiring Diagram:





INSPECTION PROCEDURE

Step 1-2:




Step 3: