Curiosii for ever!: Car repair manuals for everyone.

Display Signal Circuit Between Navigation ECU and Multi-Display

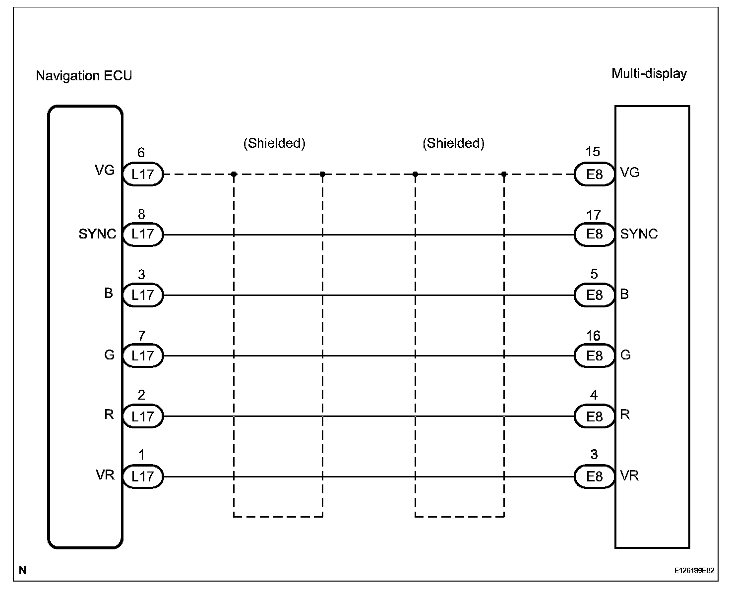
Display Signal Circuit between Navigation ECU and Multi-display

DESCRIPTION
This is the display signal circuit from the navigation ECU to the multi-display.

Wiring Diagram:





INSPECTION PROCEDURE

Step 1-2:




Step 2 (Continued):