Curiosii for ever!: Car repair manuals for everyone.

EVAP System

EVAP System

DESCRIPTION










When predetermined conditions (closed loop, etc.) are met, the EVAP VSV is opened and stored fuel vapor in the canister is purged to the intake manifold. The ECM changes duty-cycle to the EVAP VSV to control purge flow volume. Purge flow volume is determined by the intake manifold pressure. Atmospheric pressure is allowed into the canister through the vent valve (CCV) to ensure that purge flow is maintained when negative pressure (vacuum) is applied to the canister. This EVAP system contains given components:

MONITOR DESCRIPTION










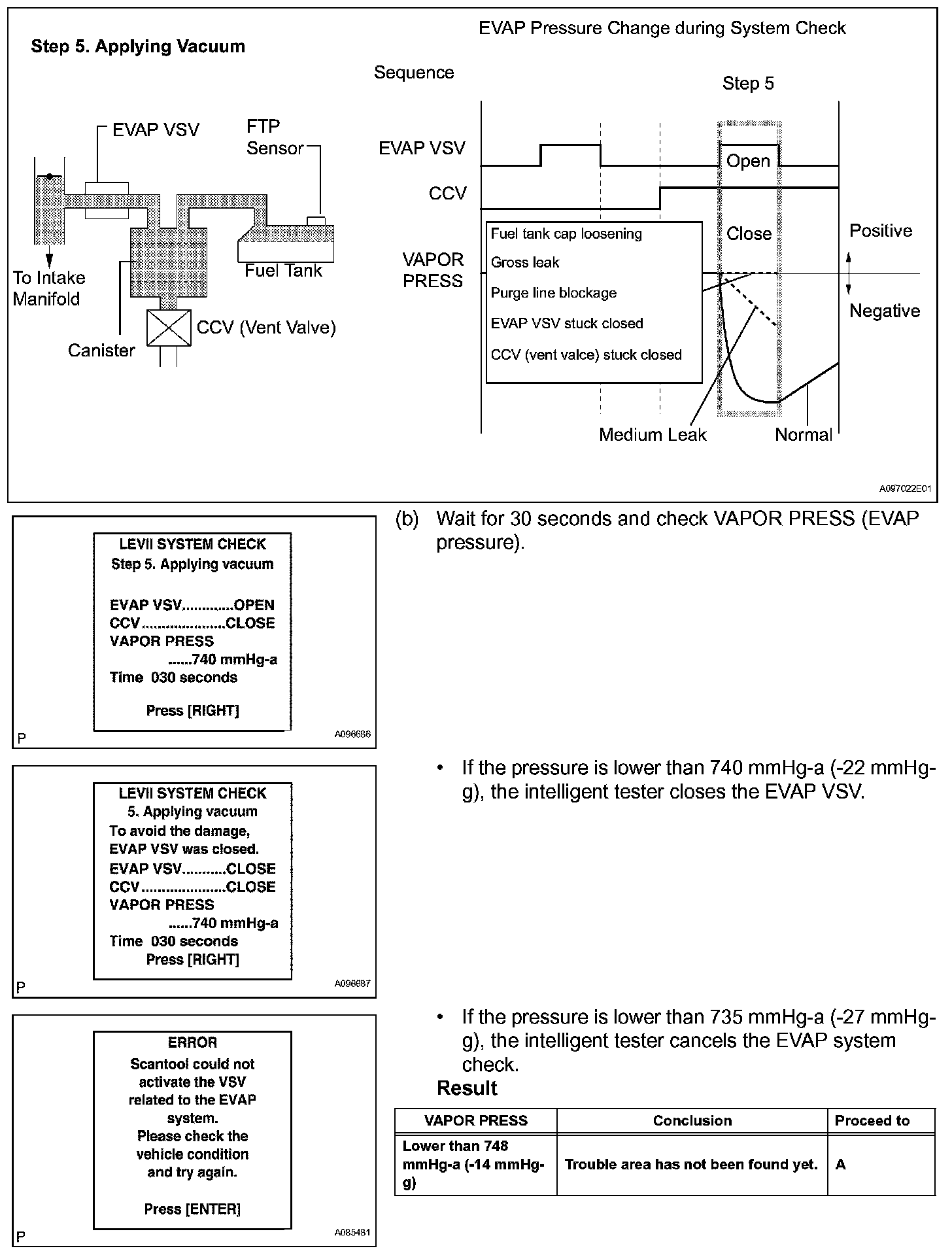
The EVAP monitor's purpose is to check for EVAP leaks and EVAP VSV and CCV malfunctions. The monitor performs the check by first introducing the intake manifold's negative pressure (vacuum) to the EVAP system. Then, the monitor records change in the EVAP system's pressure levels. The monitor runs when the following conditions are met:
- The engine coolant and intake air temperatures are 4 to 35 degree C (40 to 90 degree F).
- The engine is idling or the vehicle is being driven at a steady speed.
- The fuel tank pressure is stabilized.

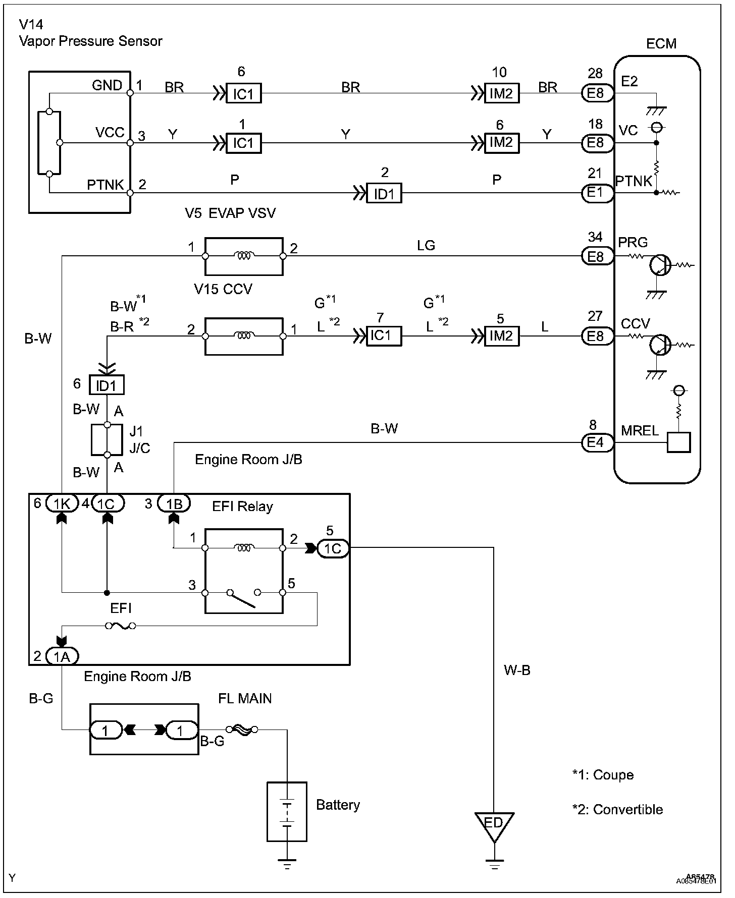
Wiring Diagram:






Step 1-2:




Step 2(continued)-4:




Step 4(continued)-5:




Step 5(continued)-6:




Step 6(continued)-7:




Step 7(continued)-8:




Step 8(continued)-9:




Step 9(continued):




Step 9(continued)-10:




Step 10(continued)-12:




Step 12(continued)-14:




Step 14(continued)-16:




Step 17-18:




Step 19-22:




Step 23-24:




Step 25-26:




Step 27-28:




Step 29-30:




Step 31-32:




Step 33-34:




Step 35-37:




Step 37(continued)-38:




Step 38(continued)-40:




INSPECTION PROCEDURE

HINT: Read freeze frame data. The ECM records vehicle and driving condition information as freeze frame data the moment a DTC is stored. When troubleshooting, freeze frame data can help determine if the vehicle was running or stopped, if the engine was warmed up or not, if the air-fuel ratio was lean or rich, and other data from the time the malfunction occurred.