Curiosii for ever!: Car repair manuals for everyone.

CAN Main Bus Line for Disconnection

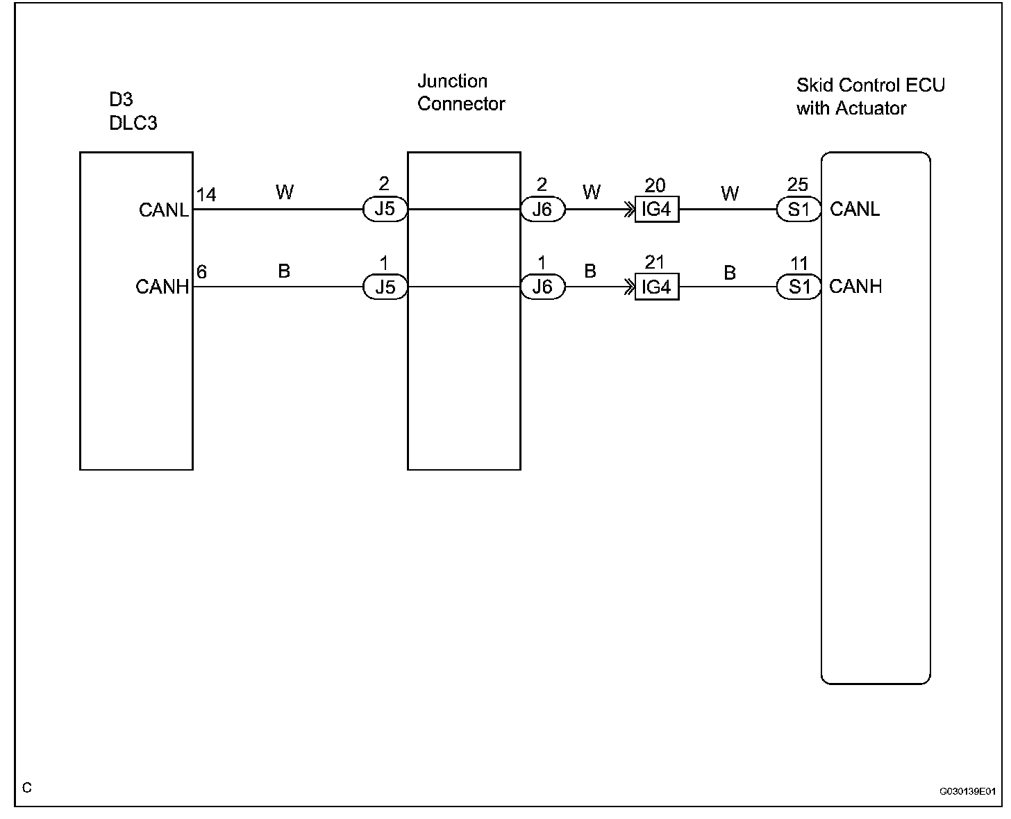
CAN Main Bus Line for Disconnection (LHD Models)

DESCRIPTION




The CAN main bus line and DLC3 sub bus line may have a disconnection when the resistance between terminals 6 (CANH) and 14 (CANL) or the DLC3 is more than 67 Ohms.

Wiring Diagram:





INSPECTION PROCEDURE

Step 1-3:




Step 3(continued):