Curiosii for ever!: Car repair manuals for everyone.

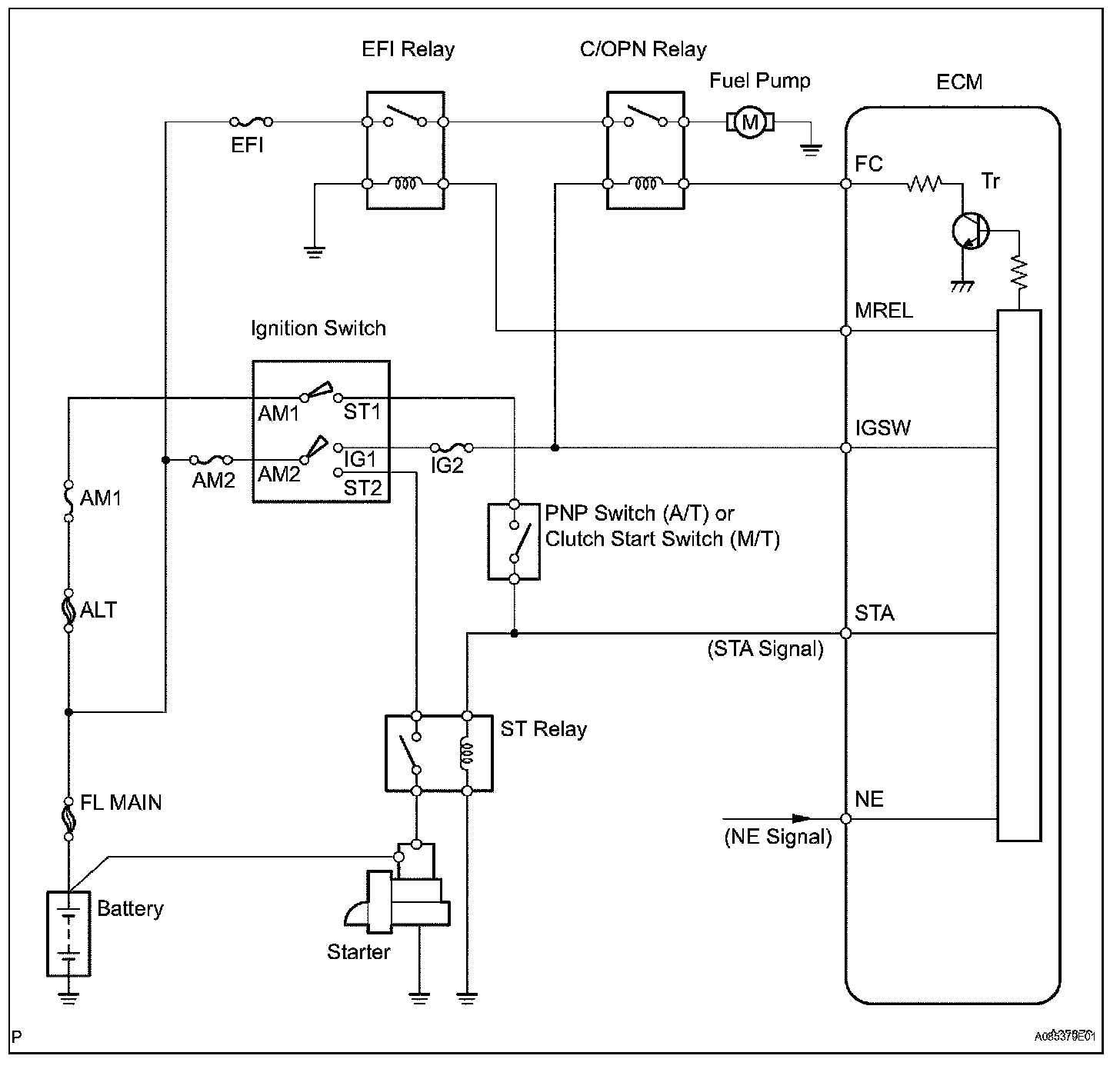
Fuel Pump Control Circuit

Fuel Pump Control Circuit

DESCRIPTION




When the engine is cranked, current flows from the ignition switch terminal ST1 to the starter relay coil (marking: ST), and current flows to terminal STA of ECM (STA signal).

When the STA signal and NE signal are input to the ECM, Tr is turned ON, current flows to coil of the circuit opening relay (marking: C/OPN), the relay switches ON, power is supplied to the fuel pump and the fuel pump operates.

While the NE signal is generated and the engine is running, the ECM keeps Tr ON (C/OPN relay ON) and the fuel pump also keeps operating.

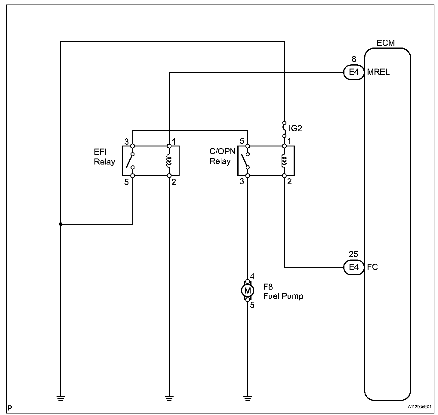
Wiring Diagram:






INSPECTION PROCEDURE

Step 1-3:




Step 4:




Step 5-6:




Step 6(continued):




Intelligent Tester

Step 1-2:




Step 3-4:




Step 5:




Step 6-7:




Step 7(continued):




OBD II Scan Tool (excluding Intelligent Tester)