How to Read Power Source
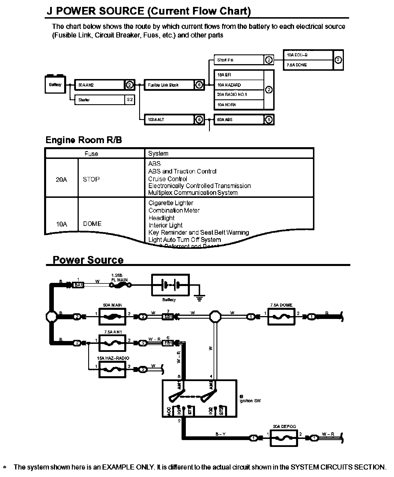
HOW TO READ POWER SOURCEThe "Current Flow Chart" section, describes which parts each power source ((uses, fusible links, and circuit breakers) transmits current to. In the Power Source circuit diagram, the conditions when battery power is supplied to each system are explained Since all System Circuit diagrams start from the power source, the power source system must be fully understood.