Curiosii for ever!: Car repair manuals for everyone.

Check CAN Bus Line For Short to +B

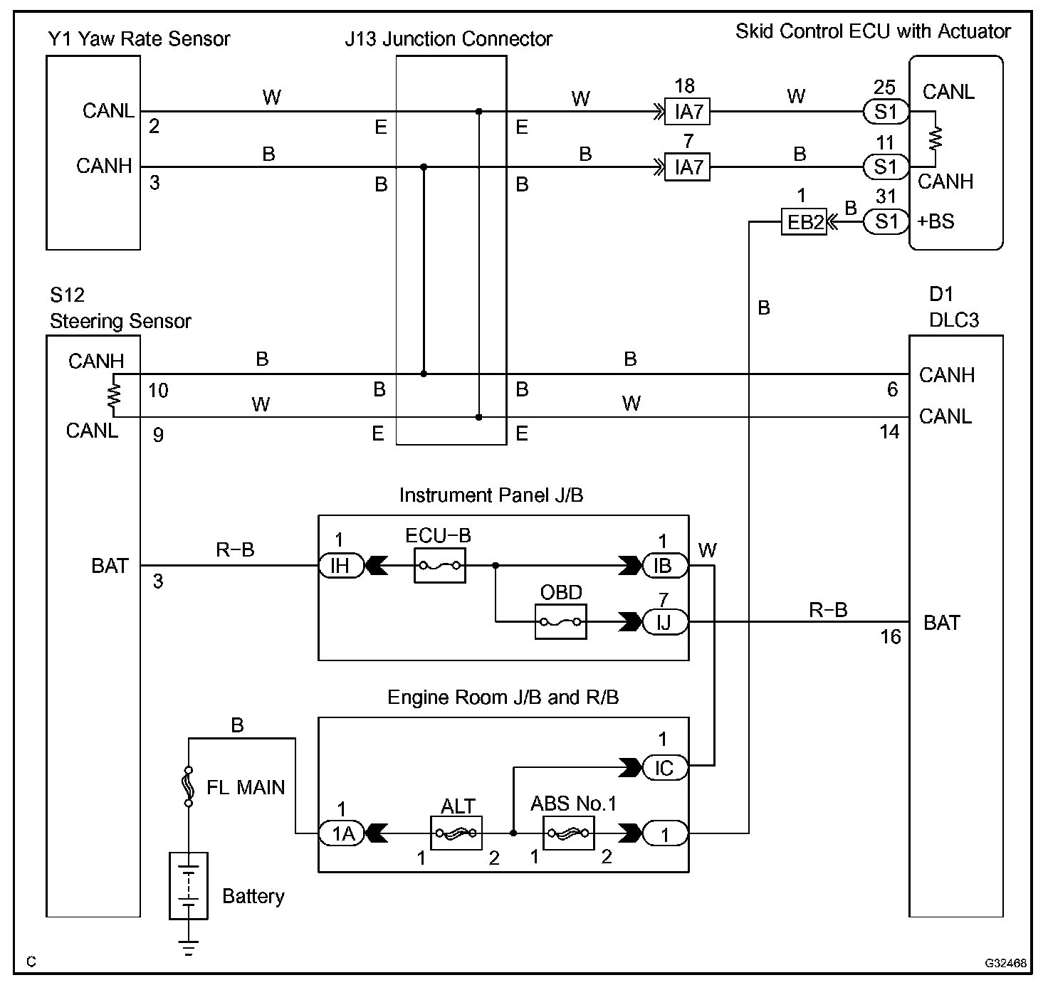
CHECK CAN BUS LINE FOR SHORT TO +B

CIRCUIT DESCRIPTION




A short to +B is suspected in the CAN bus line when there is continuity between terminals 16 (BAT) and 6 (CANH) or terminals 16 (BAT) and 14 (CANL) of the DLC3.

Wiring Diagram:






Step 1-3:




Step 4-5:




Step 6-7:




INSPECTION PROCEDURE