Curiosii for ever!: Car repair manuals for everyone.

Pinout Values and Diagnostic Parameters

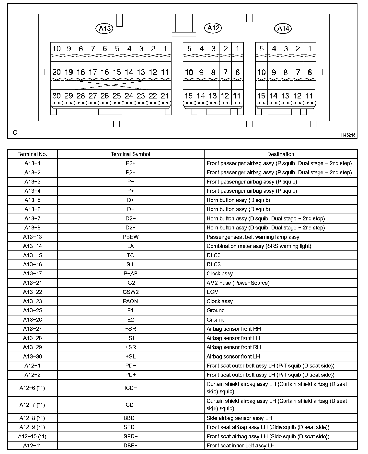
Terminals Of Control Module/Pinouts - Airbag Sensor Assy Center (Part 1):



Terminals Of Control Module/Pinouts - Airbag Sensor Assy Center (Part 2):



Terminals Of Control Module/Pinouts - Occupant Classification ECU (Part 1):



Terminals Of Control Module/Pinouts - Occupant Classification ECU (Part 2):