Curiosii for ever!
: Car repair manuals for everyone.
Home
>>
Toyota
>>
2006
>>
Matrix 2WD L4-1.8L (2ZZ-GE)
>>
Repair and Diagnosis
>>
Powertrain Management
>>
Ignition System
>>
Relays and Modules - Ignition System
>>
Ignition Relay
>>
Testing and Inspection
Ignition Relay: Testing and Inspection
INSPECTION
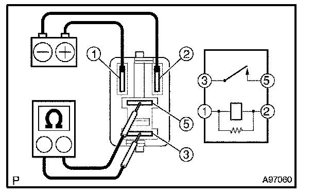
INSPECT
IGNITION RELAY
NO.1
a.
Check the resistance.
1.
Using an ohmmeter, measure the resistance between the terminals.
Standard:
If the result is not as specified, replace the
ignition relay
.