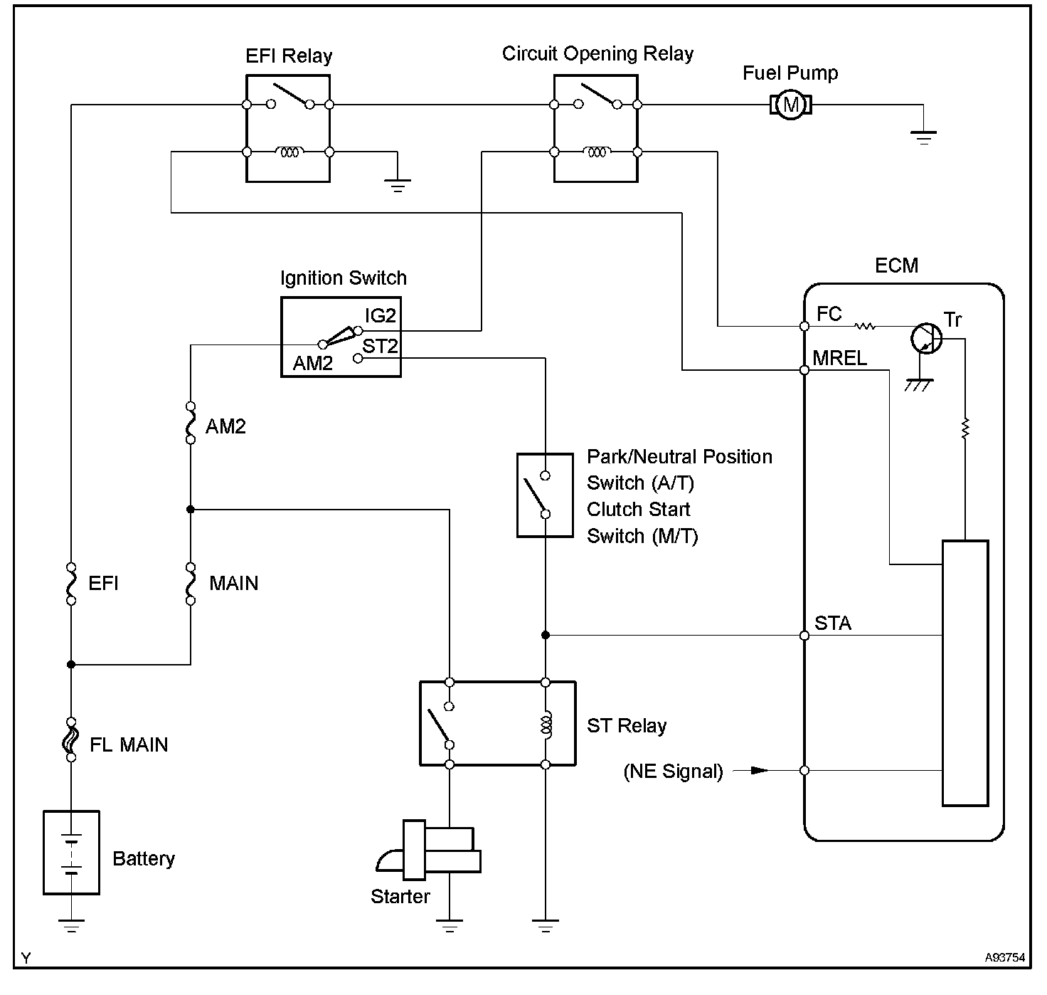
Fuel Pump Control Circuit
FUEL PUMP CONTROL CIRCUITCIRCUIT DESCRIPTION
When the engine is cranked, a current flows from terminal ST2 of the ignition switch into the ST (starter) relay coil and a current also flows into terminal STA of the ECM (STA signal).
When the STA and NE signals are received by the ECM, Tr (power transistor) is switched on, allowing a current to flow into the circuit opening relay coil. The circuit opening relay switches on, power is supplied to the fuel pump and the fuel pump operates.
While the NE signal is being generated (engine running), the ECM keeps Tr ON, therefore keeping the circuit opening relay ON, so that the fuel pump continues to operate.
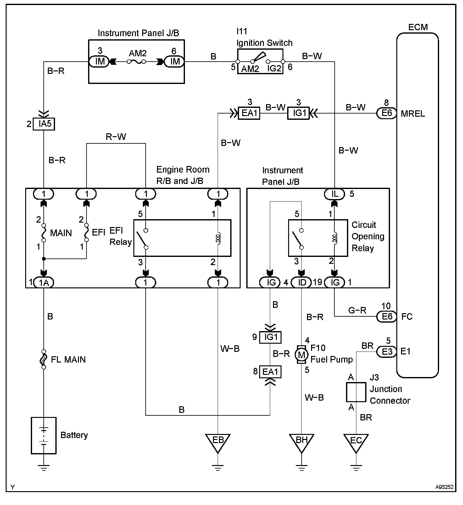
Wiring Diagram:
INSPECTION PROCEDURE
Step 1-3:
Step 4-5:
Step 6-7:
Step 8:
Hand-held tester
Step 1-3:
Step 4-5:
Step 6-7:
Step 8:
OBD II scan tool (excluding the hand-held tester)