Curiosii for ever!: Car repair manuals for everyone.

EVAP System

EVAP INSPECTION PROCEDURE




DTCS RELATING TO EVAP SYSTEM




If any EVAP system DTCs are set, the malfunctioning area can be determined using the table given.

NOTE: If the 0.02 inch reference pressure difference between the first and second checks is greater than the specification, the DTCs corresponding to the reference pressure (P043E, P043F, P0441, P0455, P0456, P2401, P2420) will be all stored.

CIRCUIT DESCRIPTION







While the engine is running, if a predetermined condition (closed-loop, etc.) is met, the purge VSV is opened by the ECM and stored fuel vapors in the canister are purged to the intake manifold. The ECM changes the duty cycle ratio of the purge VSV to control purge flow volume.

The purge flow volume is also determined by the intake manifold pressure. Atmospheric pressure is allowed into the canister through the vent valve to ensure that the purge flow is maintained when the negative pressure (vacuum) is applied to the canister.

The following two monitors run to confirm appropriate EVAP system operation.

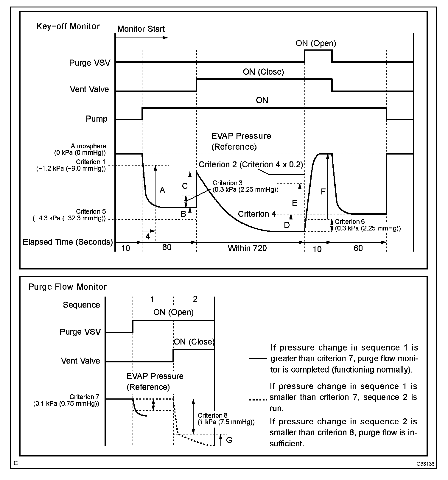
Key-off monitor
This monitor checks for EVAP (Evaporative Emission) system leaks and pump module malfunctions. The monitor starts 5 hours* after the ignition switch is turned OFF. More than 5 hours are required to allow the fuel to cool down to stabilize the Fuel Tank Pressure (FTP), thus making the EVAP system monitor more accurate.

The electric vacuum pump creates negative pressure (vacuum) in the EVAP system and the pressure is measured. Finally, the ECM monitors for leaks from the EVAP system, and malfunctions in both the pump module and purge VSV, based on the EVAP pressure.

HINT:
*: If the engine coolant temperature is not below 35 degrees C 5 hours after the ignition switch is turned off, the monitor check starts 2 hours later. If it is still not below 35 degrees C 7 hours after the ignition switch is turned off, the monitor check starts 2.5 hours later.

Purge flow monitor
The purge flow monitor consists of the two monitors. The 1st monitor is conducted every time and the 2nd monitor is activated if necessary.

- The 1st monitor
While the engine is running and the purge VSV (Vacuum Switching Valve) is ON (open), the ECM monitors the purge flow by measuring the EVAP pressure change. If negative pressure is not created, the ECM begins the 2nd monitor.
- The 2nd monitor
The vent valve is turned ON (closed) and the EVAP pressure is then measured. If the variation in the pressure is less than 0.5 kPa (3.75 mmHg), the ECM interprets this as the purge VSV being stuck closed, and illuminates the MIL and sets DTC P0441 (2 trip detection logic).













Atmospheric pressure check:
In order to ensure reliable malfunction detection, the variation between the atmospheric pressures, before and after conduction of the purge flow monitor, is measured by the ECM.

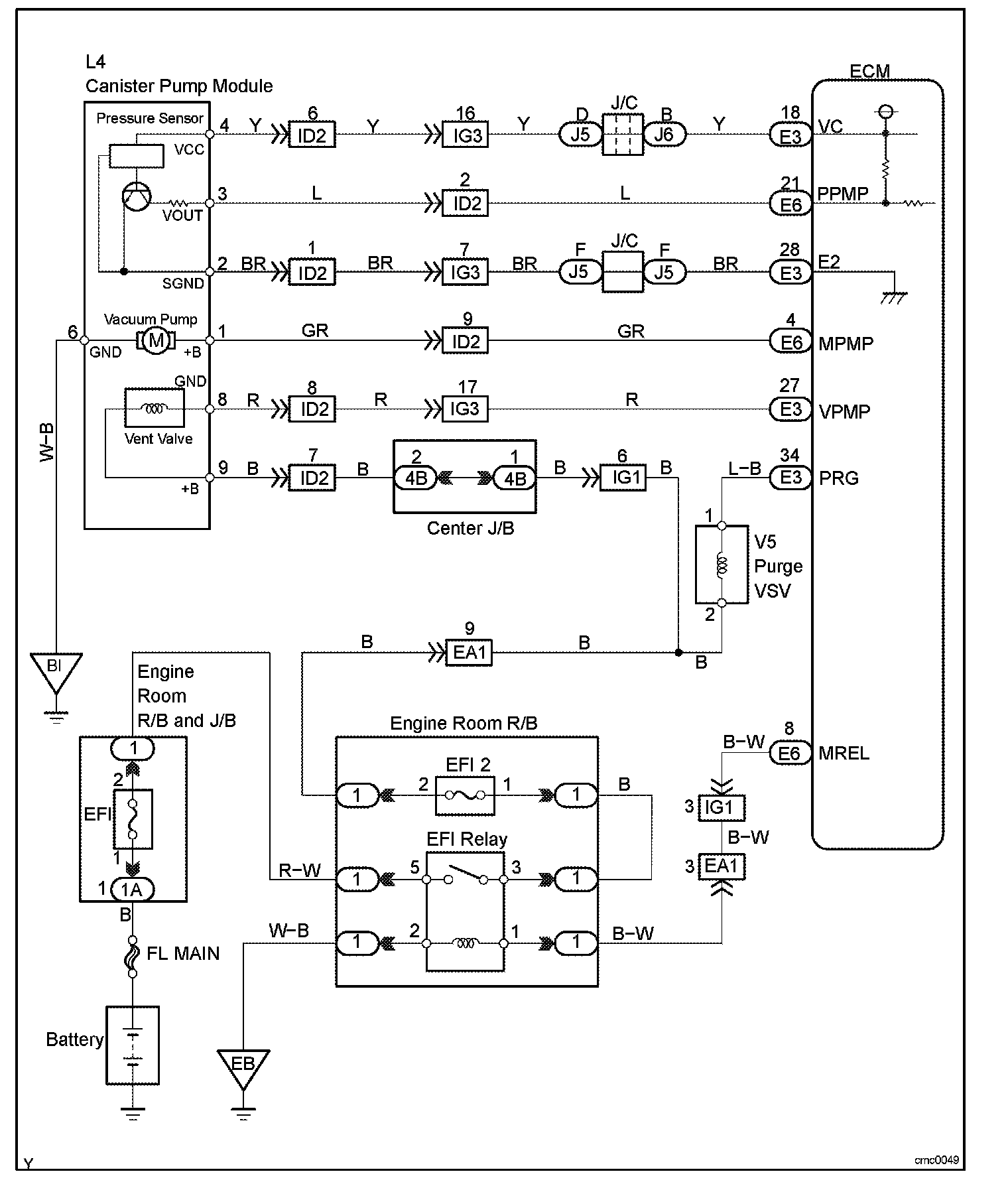
Wiring Diagram:






Step 1:




Step 2:




Step 3:




Step 4:




Step 5:




Step 6:




Step 7:




Step 8:




Step 9:




Step 10:




Step 11:




Step 12:




Step 13-14:




Step 15-16:




Step 17-18:




Step 19-20:




Step 21:




Step 22-23:




Step 24:




Step 25-27:




Step 28-29:




Step 29 (Continued)-36:




Step 37:




INSPECTION PROCEDURE

NOTE: A hand-held tester is required to conduct the following diagnostic troubleshooting procedure.

HINT:
- Using hand-held tester monitor results enables the EVAP (Evaporative Emission) system to be confirmed.
- Read freeze frame data using a hand-held tester. Freeze frame data record the engine condition when malfunctions are detected. When troubleshooting, freeze frame data can help determine if the vehicle was moving or stationary, if the engine was warmed up or not, if the air-fuel ratio was lean or rich, and other data, from the time the malfunction occurred.

Monitor Confirmation

HINT: After a repair, check Monitor Status by performing the Key-Off Monitor Confirmation and Purge Flow Monitor Confirmation described below.

1. KEY-OFF MONITOR CONFIRMATION
a. Preconditions

The monitor will not run unless:
- The vehicle has been driven for 10 minutes or more (in a city area or on a free way)
- The fuel tank is less than 90% full
- The altitude is less than 8,000 ft (2,400 m)
- The Engine Coolant Temperature (ECT) is between 4.4 degrees C and 35 degrees C (40 degrees F and 95 degrees F)
- The Intake Air Temperature (IAT) is between 4.4 degrees C and 35 degrees C (40 degrees F and 95 degrees F)
- The vehicle remains stationary (the vehicle speed is 0 mph [0 km/h])

b. Monitor Conditions
1. Allow the engine to idle for at least 5 minutes.
2. Turn the ignition switch OFF and wait for 6 hours (8 or 10.5 hours).

HINT: Do not start the engine until checking MONITOR STATUS. If the engine is started, the steps described above must be repeated.

c. Monitor Status
1. Connect a hand-held tester to the DLC3.
2. Turn the ignition switch ON and turn the tester ON.
3. On the tester, select the following menu items: DIAGNOSIS / ENHANCED OBD II / MONITOR STATUS.
4. Check the Monitor Status displayed on the tester.

HINT: If INCMP is displayed, the monitor is not completed. Make sure that the preconditions have been met, and perform the Monitor Conditions again.

2. PURGE FLOW MONITOR CONFIRMATION (P0441)

HINT: Perform this monitor confirmation after the Key-Off Monitor Confirmation shows COMPL (complete).

a. Preconditions

The monitor will not run unless:
- The vehicle has been driven for 10 minutes or more (in a city area or on a free way)
- The ECT is between 4.4 degrees C and 35 degrees C (40 degrees F and 95 degrees F)
- The IAT is between 4.4 degrees C and 35 degrees C (40 degrees F and 95 degrees F)

b. Monitor Conditions
1. Release the pressure from the fuel tank by removing and reinstalling the fuel tank cap.
2. Warm the engine up until the ECT reaches more than 75 degrees C (167 degrees F).
3. Increase the engine speed to 3,000 rpm once.
4. Allow the engine to idle and turn A/C ON for 1 minute.

c. Monitor Status
1. Turn the ignition switch OFF (where ON or the engine is running).
2. Connect a hand-held tester to the DLC3.
3. Turn the ignition switch to ON and turn the tester ON.
4. On the tester, select the following menu items: DIAGNOSIS / ENHANCED OBD II / MONITOR STATUS.
5. Check the Monitor Status displayed on the tester.

HINT: If INCMP is displayed, the monitor is not completed. Make sure that the preconditions have been met, and perform step b. again.

MONITOR RESULT
Refer to Readiness Monitor Drive Pattern for detailed information. Monitors, Trips, Drive Cycles and Readiness Codes

The test value and test limit information are described in the following table. Check the monitor result and test values after performing the monitor drive pattern (Refer to "Confirmation Monitor").

- TID (Test Identification Data) is assigned to each emissions-related component.
- TLT (Test Limit Type):
If TLT is 0, the component is malfunctioning when the test value is higher than the test limit.
If TLT is 1, the component is malfunctioning when the test value is lower than the test limit.
- CID (Component Identification Data) is assigned to each test value.
- Unit Conversion is used to calculate the test value indicated on generic OBD II scan tools.







d. Key off

MONITOR CONFIRMATION DRIVE PATTERN

Check the monitor result after driving with this drive pattern.
1. KEY-OFF MONITOR DRIVE PATTERN
a. Connect the hand-held tester to the DLC3.
b. Confirm the following conditions are satisfied:
- The fuel level is less than 90 %.
- The altitude is less than 8,000 ft. (2,400 m).
- The vehicle is stopped (the vehicle speed is less than 2 mph).
- The engine coolant temperature is 4.4 to 35 degrees C (40 to 95 degrees F)
- The intake air temperature is 4.4 to 35 degrees C (40 to 95 degrees F)
c. Perform the drive pattern:
1. Allow the engine to idle for 5 minutes or more.
2. Turn the ignition switch OFF and wait 6 hours.
d. Check the monitor result with the hand-held tester.

2. PURGE FLOW MONITOR DRIVE PATTERN (P0441)
a. Connect the hand-held tester to the DLC3.
b. Confirm that the following conditions are satisfied:
- The engine coolant temperature is more than 4.4 degrees C (40 degrees F).
- The intake air temperature is more than 4.4 degrees C (40 degrees F).
c. Perform the drive pattern:
1. Remove and reinstall the fuel cap to release the fuel tank pressure.
2. Warm the engine until the ECT reaches 75 degrees C (167 degrees F) or more.
3. Run the engine at 3,000 rpm once.
4. Allow the engine to idle and turn the air conditioning ON for 1 minute.
d. Check the monitor result with the hand-held tester.