Curiosii for ever!: Car repair manuals for everyone.

Check CAN Main Bus Line For Disconnection

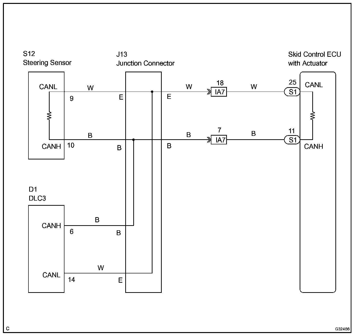
CHECK CAN MAIN BUS LINE FOR DISCONNECTION

CIRCUIT DESCRIPTION




The CAN main bus line and DLC3 sub bus line may have a disconnection when the resistance between terminals 6 (CANH) and 14 (CANL) of the DLC3 is more than 69 Ohms.

Wiring Diagram:






Step 1-2:




Step 3-4:




INSPECTION PROCEDURE