Check CAN Bus Lines For Short Circuit
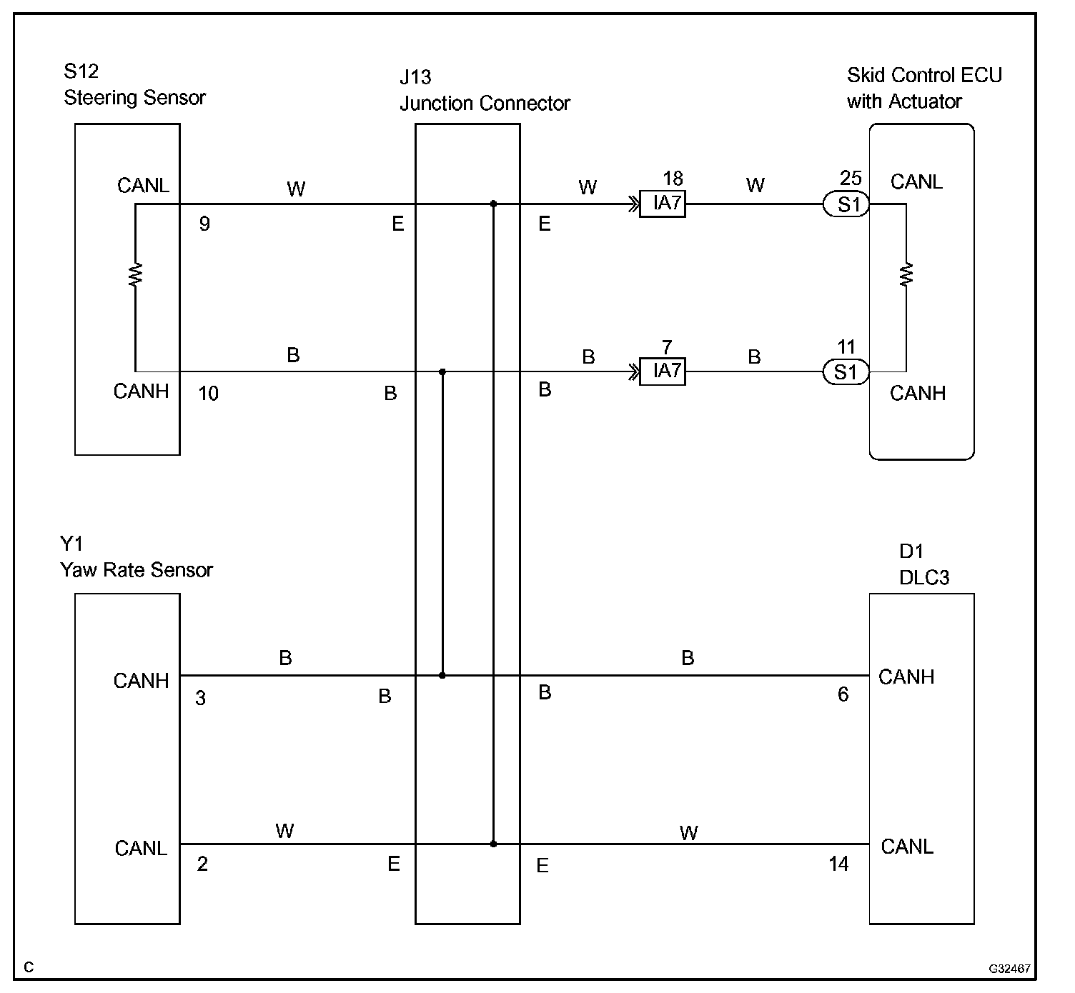
CHECK CAN BUS LINES FOR SHORT CIRCUITCIRCUIT DESCRIPTION
The CAN bus lines are considered to be shorted when the resistance between terminals 6 (CANH) and 14 (CANL) of the DLC3 is below 54 Ohms.
Wiring Diagram:
Step 1-3:
Step 4-5:
Step 6:
INSPECTION PROCEDURE