Curiosii for ever!: Car repair manuals for everyone.

Check CAN Bus Line

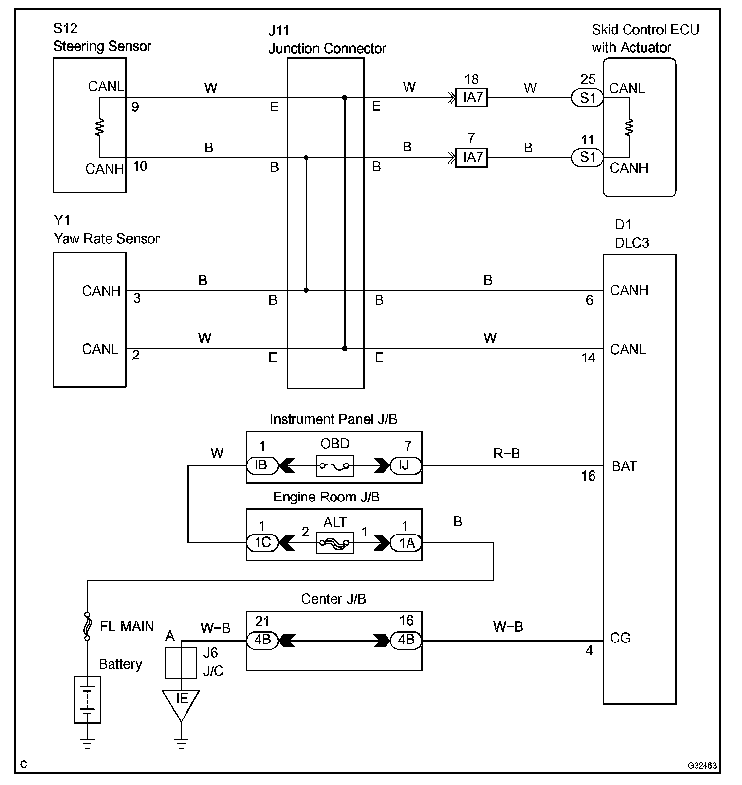
CHECK CAN BUS LINE

CIRCUIT DESCRIPTION

When any DTC for the CAN communication is output, first measure the resistance between the terminals of the DLC3 to specify the trouble area.

Wiring Diagram:






Step 1-2:




Step 3-5:




INSPECTION PROCEDURE