Curiosii for ever!: Car repair manuals for everyone.

O/D Main Switch Circuit

O/D MAIN SWITCH CIRCUIT

CIRCUIT DESCRIPTION
The O/D main switch (transmission control switch) is a momentary type switch. When pressing the O/D main switch, the O/D OFF indicator light lights up and the ECM prohibits shifting into O/D, and when pressing it once again, the O/D OFF indicator light goes off and the ECM allows shifting into O/D. Turning the IG switch OFF will reset the O/D OFF indicator light.

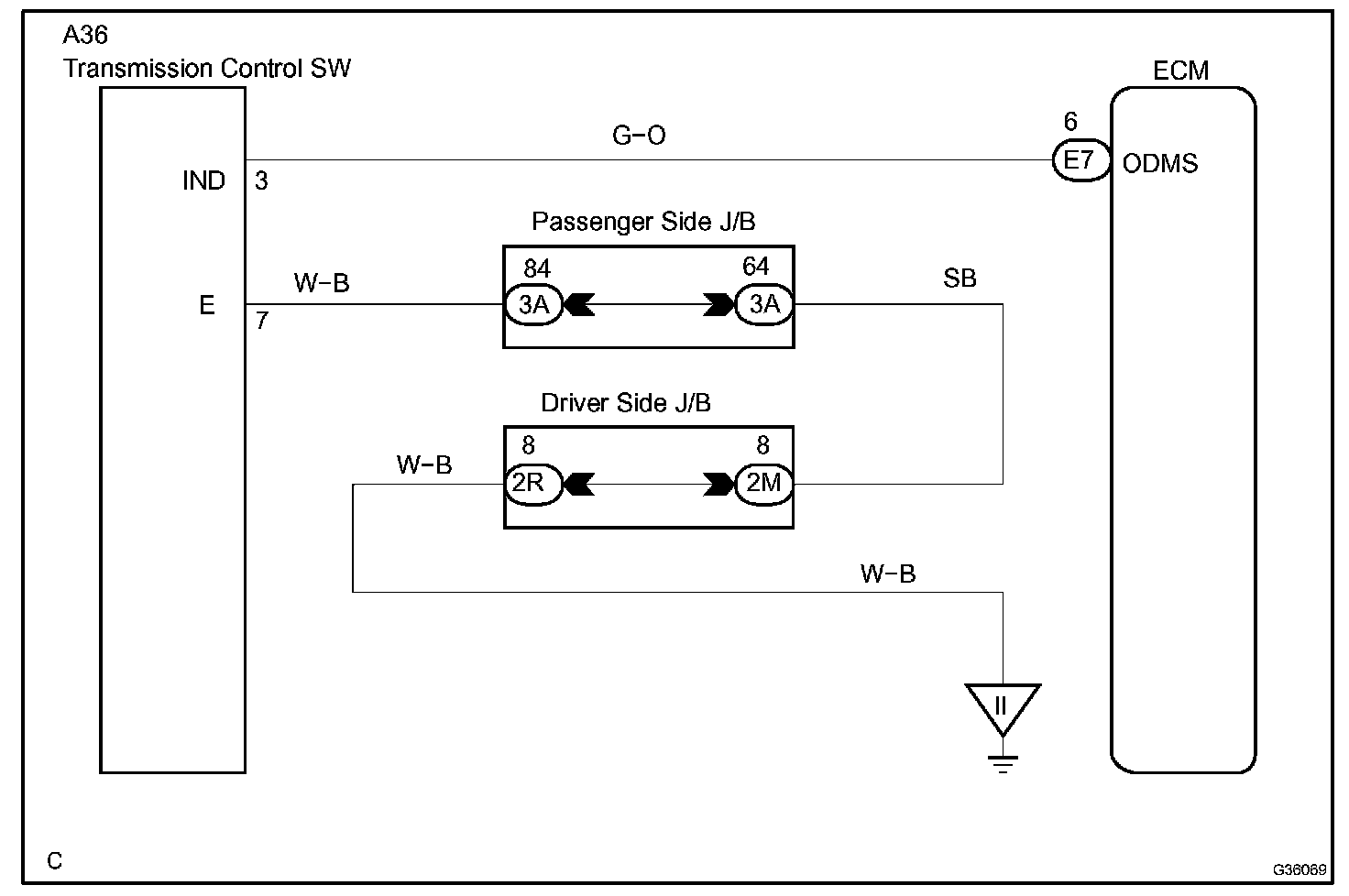
Wiring Diagram:






Step 1-3:




INSPECTION PROCEDURE