Curiosii for ever!: Car repair manuals for everyone.

Check CAN Bus Line For Short to GND

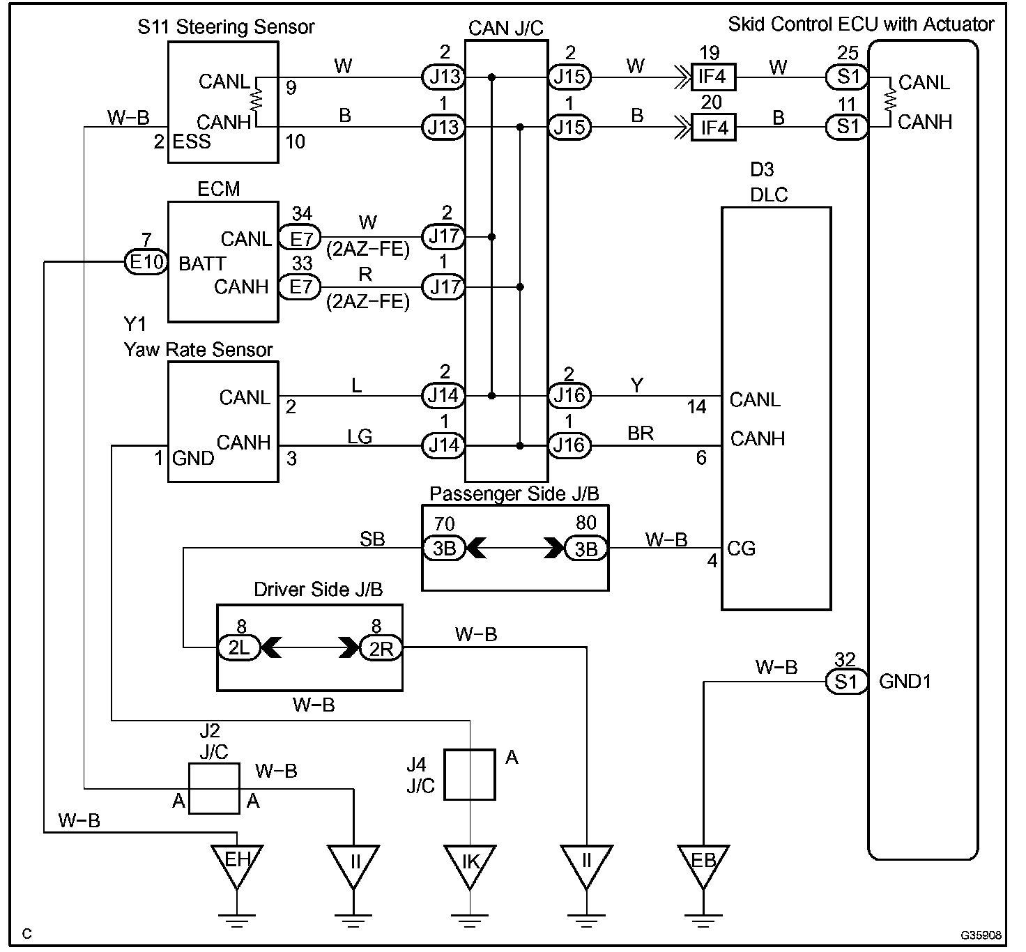
CHECK CAN BUS LINE FOR SHORT TO GND

CIRCUIT DESCRIPTION




A short to GND is suspected in the CAN bus line when there is continuity between terminals 4 (CG) and 6 (CANH) or terminals 4 (CG) and 14 (CANL) of the DLC3.

Wiring Diagram:






Step 1-2:




Step 3-4:




Step 5-6:




Step 7-9:




Step 10-13:




INSPECTION PROCEDURE