Curiosii for ever!: Car repair manuals for everyone.

Combination Switch Power Source Circuit

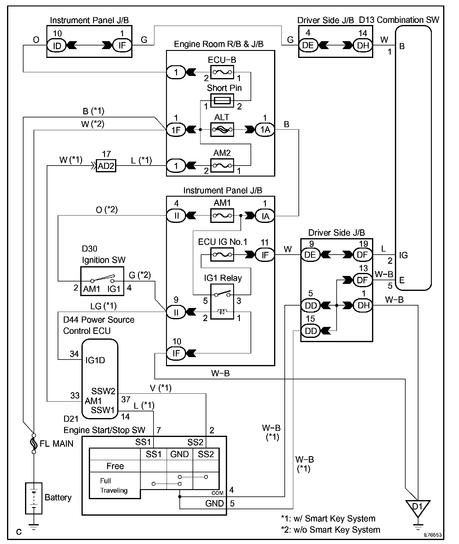
COMBINATION SWITCH POWER SOURCE CIRCUIT

CIRCUIT DESCRIPTION
This circuit provides power to the combination switch.

Wiring Diagram:






Step 1-2:




Step 3:




INSPECTION PROCEDURE

HINT: Before performing this procedure, check that DTCs for the multiplex communication system are not output.