Curiosii for ever!
: Car repair manuals for everyone.
Home
>>
Toyota
>>
2006
>>
Avalon V6-3.5L (2GR-FE)
>>
Repair and Diagnosis
>>
Powertrain Management
>>
Computers and Control Systems
>>
Information Bus
>>
Testing and Inspection
>>
Component Tests and General Diagnostics
>>
Gateway ECU Communication Stop Mode
Gateway ECU Communication Stop Mode
GATEWAY ECU COMMUNICATION STOP MODE
Detection Item:
MODE DESCRIPTION
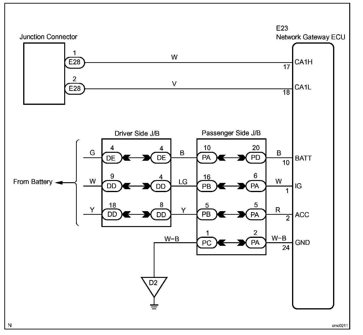
Wiring Diagram:
Step 1-2:
INSPECTION PROCEDURE