Curiosii for ever!: Car repair manuals for everyone.

Check CAN Bus Lines For Short Circuit

CHECK CAN BUS LINES FOR SHORT CIRCUIT

CIRCUIT DESCRIPTION




There may be a short circuit between the CAN bus lines when the resistance between terminals 6 (CANH) and 14 (CANL) of the DLC3 is below 54 Ohms.

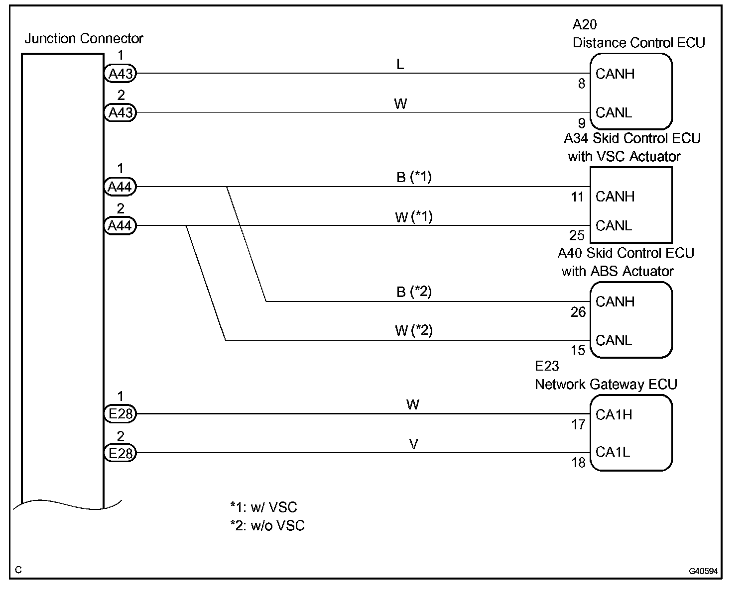
Wiring Diagram (Part 1):




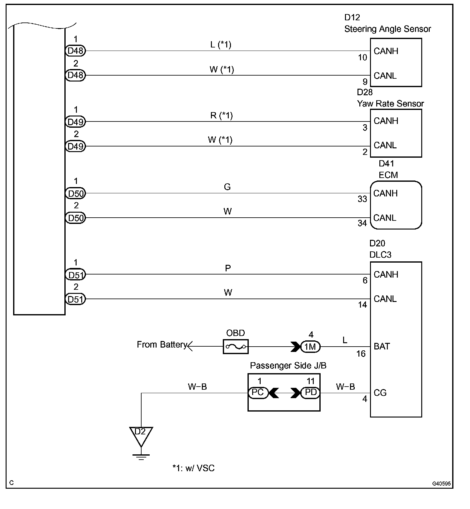
Wiring Diagram (Part 2):






Step 1-2:




Step 3-4:




Step 5-6:




Step 7-8:




Step 9-11:




Step 12-14:




Step 15-16:




Step 17-18:




Step 19-20:




Step 21-23:




Step 24-25:




INSPECTION PROCEDURE