Curiosii for ever!: Car repair manuals for everyone.

Check CAN Bus Line For Short to GND

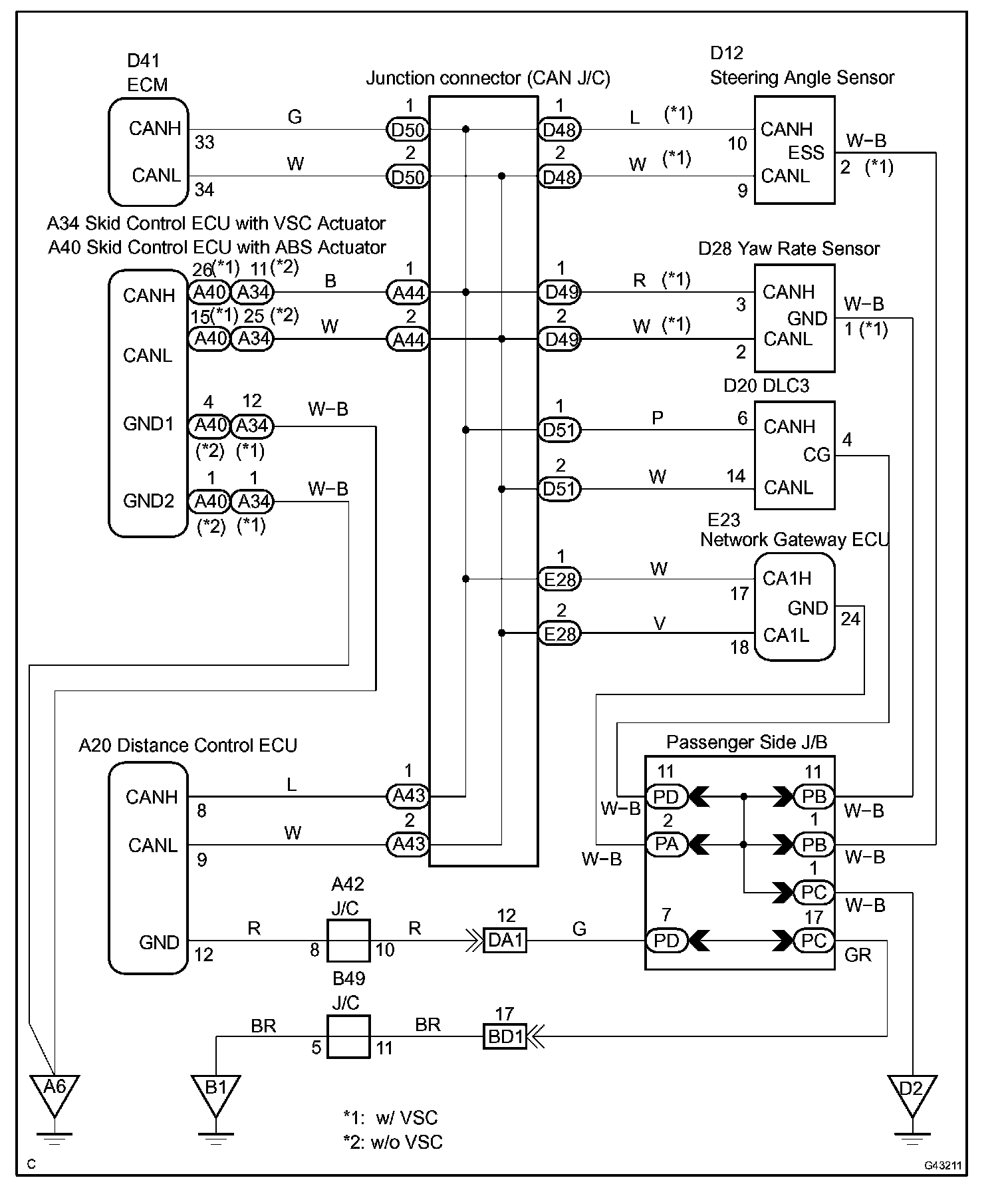
CHECK CAN BUS LINE FOR SHORT TO GND

CIRCUIT DESCRIPTION




There may be a short circuit between the CAN bus line and GND when there is resistance between terminals 6 (CANH) and 4 (CG), or terminals 14 (CANL) and 4 (CG), of the DLC3.

Wiring Diagram:






Step 1-2:




Step 3-4:




Step 5-6:




Step 7-8:




Step 9-11:




Step 12-14:




Step 15-16:




Step 17-18:




Step 19-20:




Step 21-23:




Step 24-25:




INSPECTION PROCEDURE