Curiosii for ever!: Car repair manuals for everyone.

Check CAN Bus Line For Short to +B

CHECK CAN BUS LINE FOR SHORT TO +B

CIRCUIT DESCRIPTION




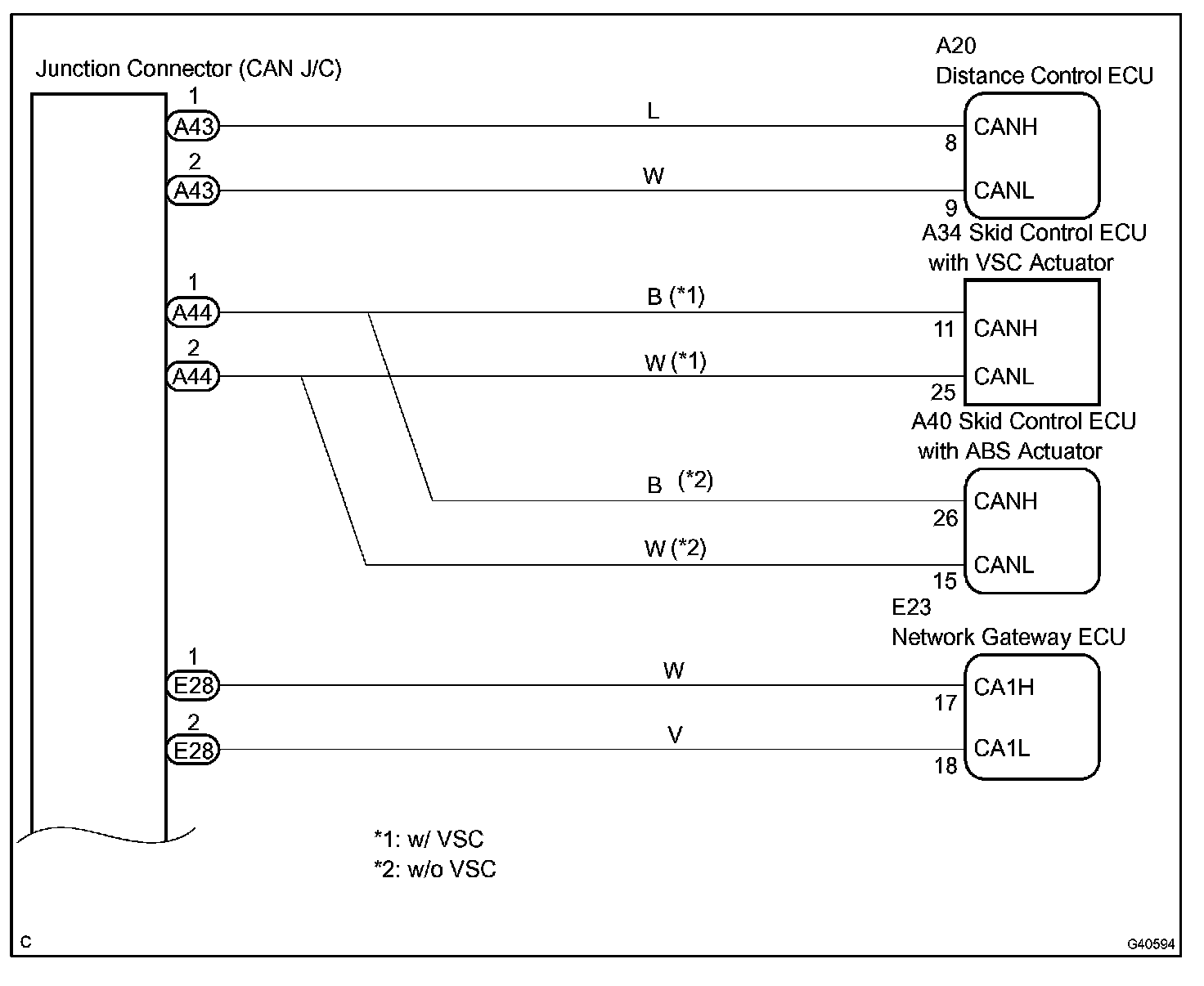
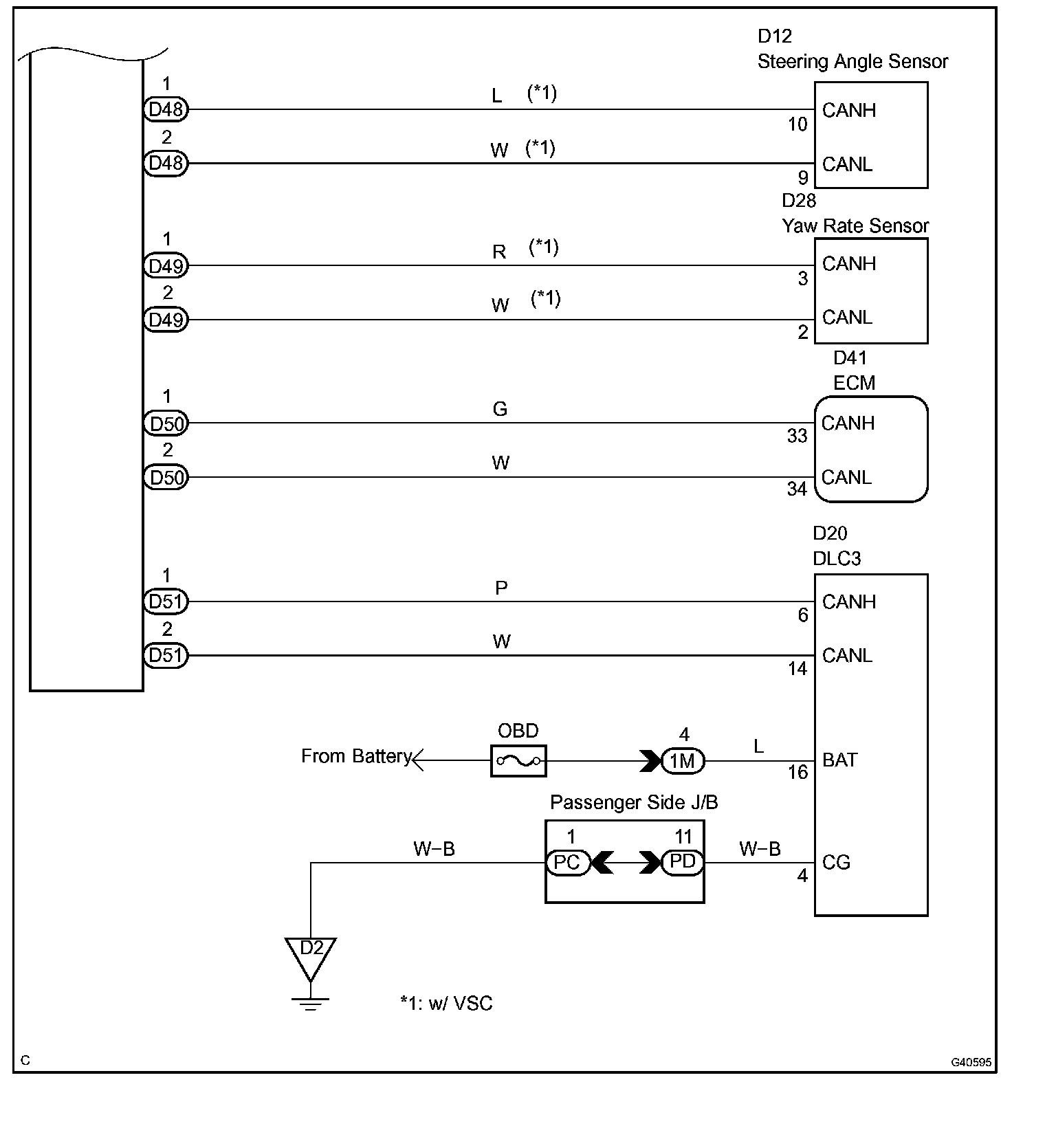
There may be a short circuit between the CAN bus line and +B when there is resistance between terminals 6 (CANH) and 16 (BAT), or terminals 14 (CANL) and 16 (BAT), of the DLC3.

Wiring Diagram (Part 1):




Wiring Diagram (Part 2):






Step 1-2:




Step 3-4:




Step 5-6:




Step 7-8:




Step 9-11:




Step 12-14:




Step 15-16:




Step 17-18:




Step 19-21:




Step 22-23:




INSPECTION PROCEDURE