Curiosii for ever!
: Car repair manuals for everyone.
Home
>>
Toyota
>>
2006
>>
Avalon V6-3.5L (2GR-FE)
>>
Repair and Diagnosis
>>
Powertrain Management
>>
Computers and Control Systems
>>
Description and Operation
>>
SFI - Engine Control System
SFI - Engine Control System
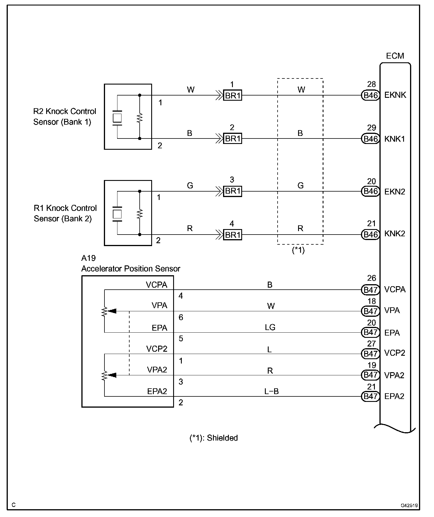
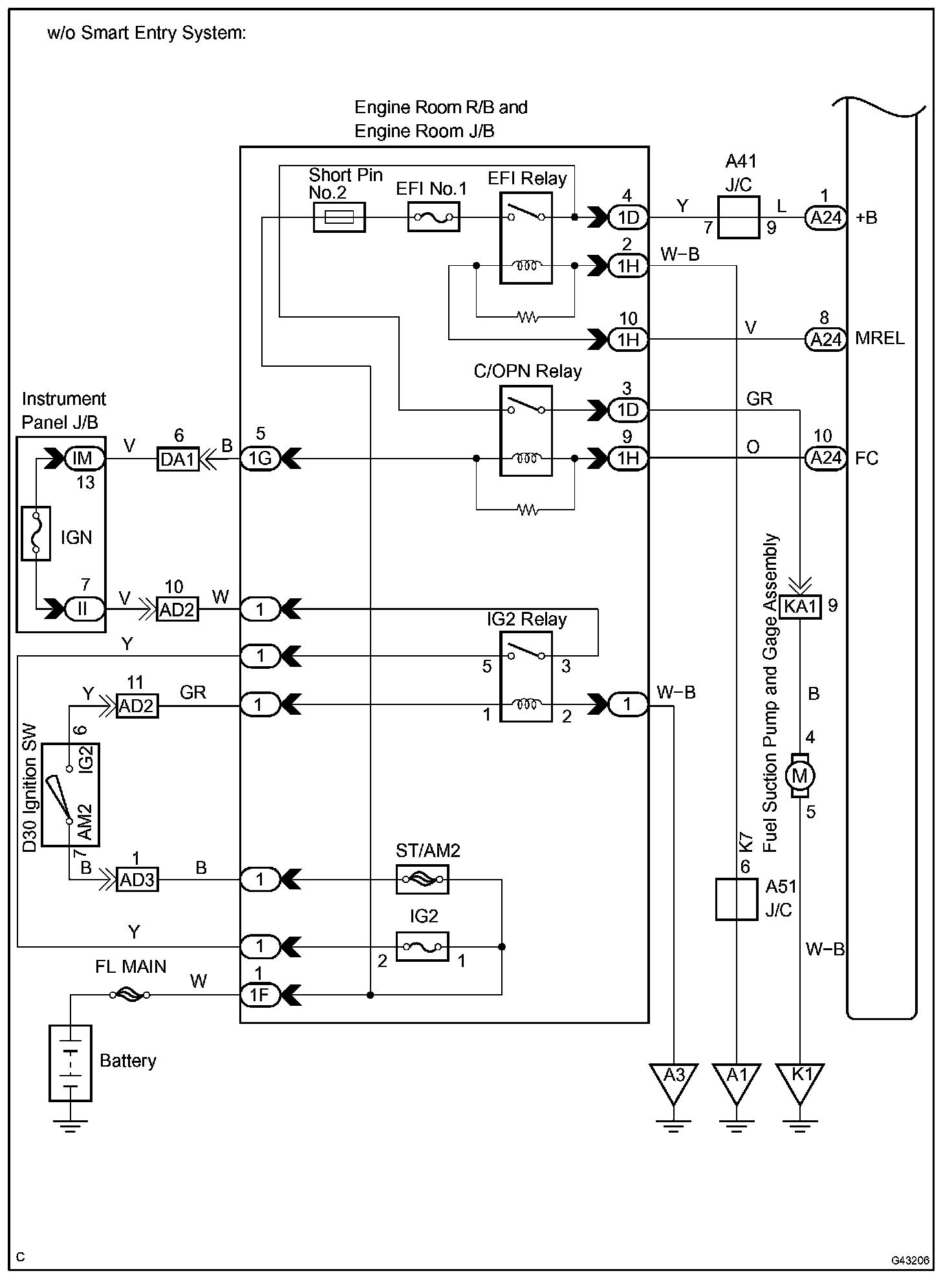
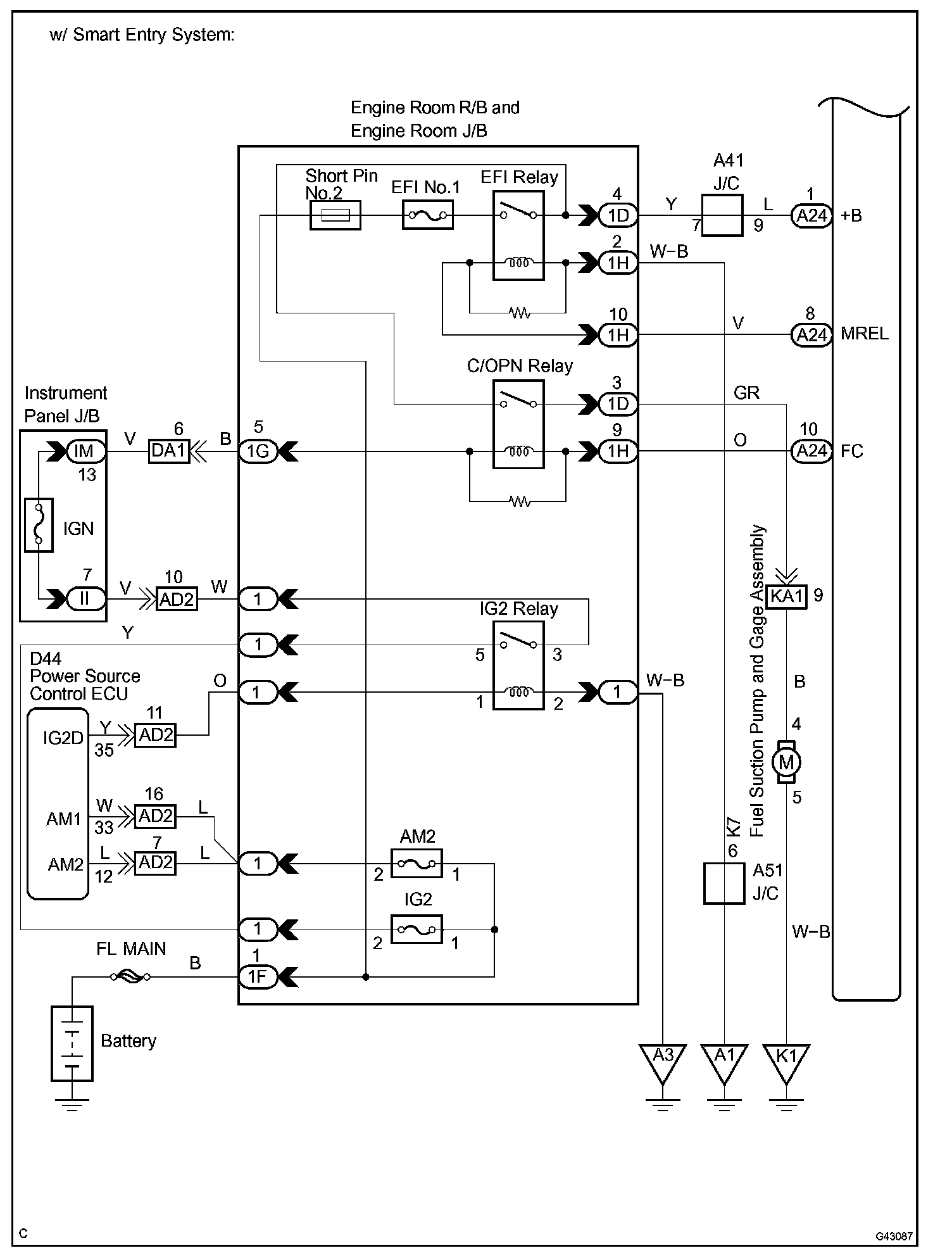
System Diagram (Part 1):
System Diagram (Part 2):
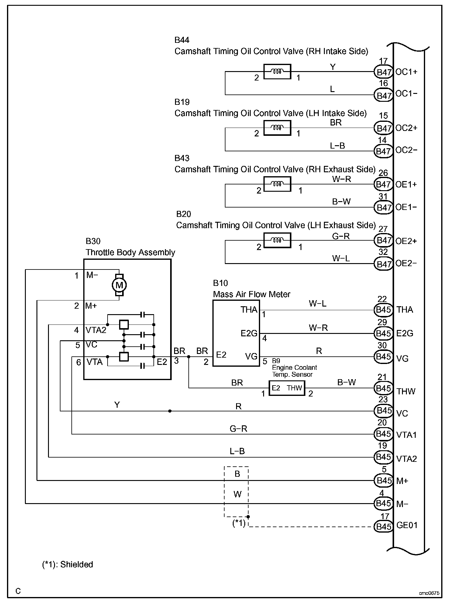
System Diagram (Part 3):
System Diagram (Part 4):