Curiosii for ever!
: Car repair manuals for everyone.
Home
>>
Toyota
>>
2006
>>
Avalon V6-3.5L (2GR-FE)
>>
Repair and Diagnosis
>>
Accessories and Optional Equipment
>>
Antitheft and Alarm Systems
>>
Testing and Inspection
>>
Component Tests and General Diagnostics
>>
Engine Immobilizer System (W/O Smart Key System)
>>
ECU Power Source Circuit
ECU Power Source Circuit
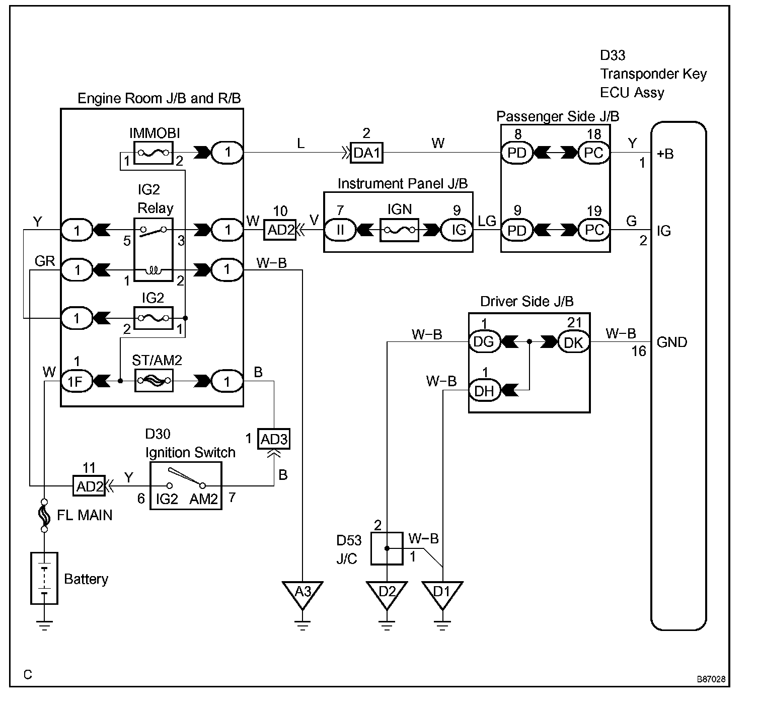
ECU POWER SOURCE CIRCUIT
CIRCUIT DESCRIPTION
This circuit provides power to operate the transponder key ECU assembly.
Wiring Diagram:
Step 1-2:
INSPECTION PROCEDURE