Curiosii for ever!
: Car repair manuals for everyone.
Home
>>
Toyota
>>
2005
>>
Solara V6-3.3L (3MZ-FE)
>>
Repair and Diagnosis
>>
Diagrams
>>
Exploded Views
>>
Engine
>>
System Diagram
>>
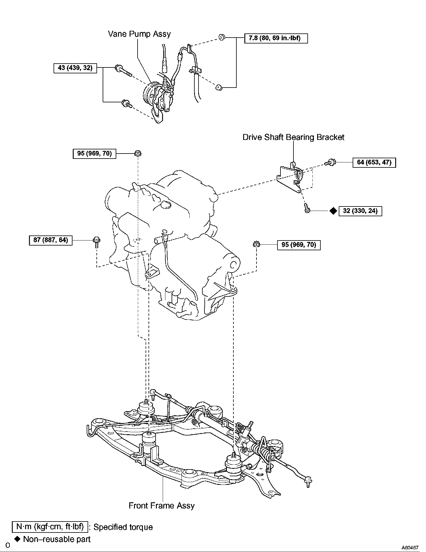
Partial Engine Assembly
Partial Engine Assembly
RH Bank:
LH Bank:
PARTIAL ENGINE ASSEMBLY REPLACEMENT AND OVERHAUL W/ RELATED COMPONENTS