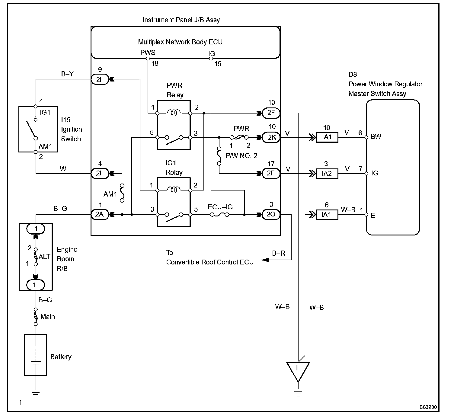
Power Windows Do Not Operate Using Master Switch
POWER WINDOWS DO NOT OPERATE USING MASTER SWITCHCIRCUIT DESCRIPTION
If all of the door windows do not operate, the power window regulator master switch may not have power or may be malfunctioning.
Wiring Diagram:
Step 1 - 2:
Step 3:
Step 4 - 5:
INSPECTION PROCEDURE