Curiosii for ever!
: Car repair manuals for everyone.
Home
>>
Toyota
>>
2005
>>
Solara L4-2.4L (2AZ-FE)
>>
Repair and Diagnosis
>>
Powertrain Management
>>
Computers and Control Systems
>>
Relays and Modules - Computers and Control Systems
>>
Oxygen Sensor Relay
>>
Locations
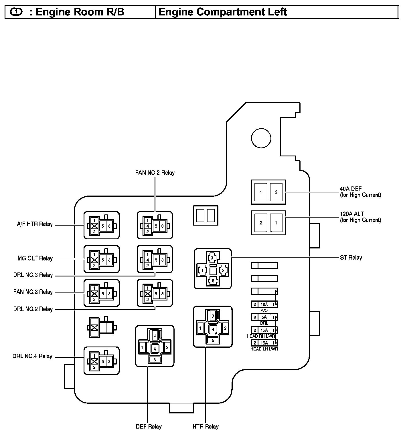
Oxygen Sensor Relay: Locations
Engine Room R/B - Engine Compartment Left:
Window Defogger System: