Curiosii for ever!: Car repair manuals for everyone.

Key Lock-In Prevention Function Does Not Work Properly (Manual Operation and Key-Linked Lock Are Available)

KEY LOCK-IN PREVENTION FUNCTION DOES NOT WORK PROPERLY (MANUAL OPERATION AND KEY-LINKED LOCK ARE AVAILABLE)

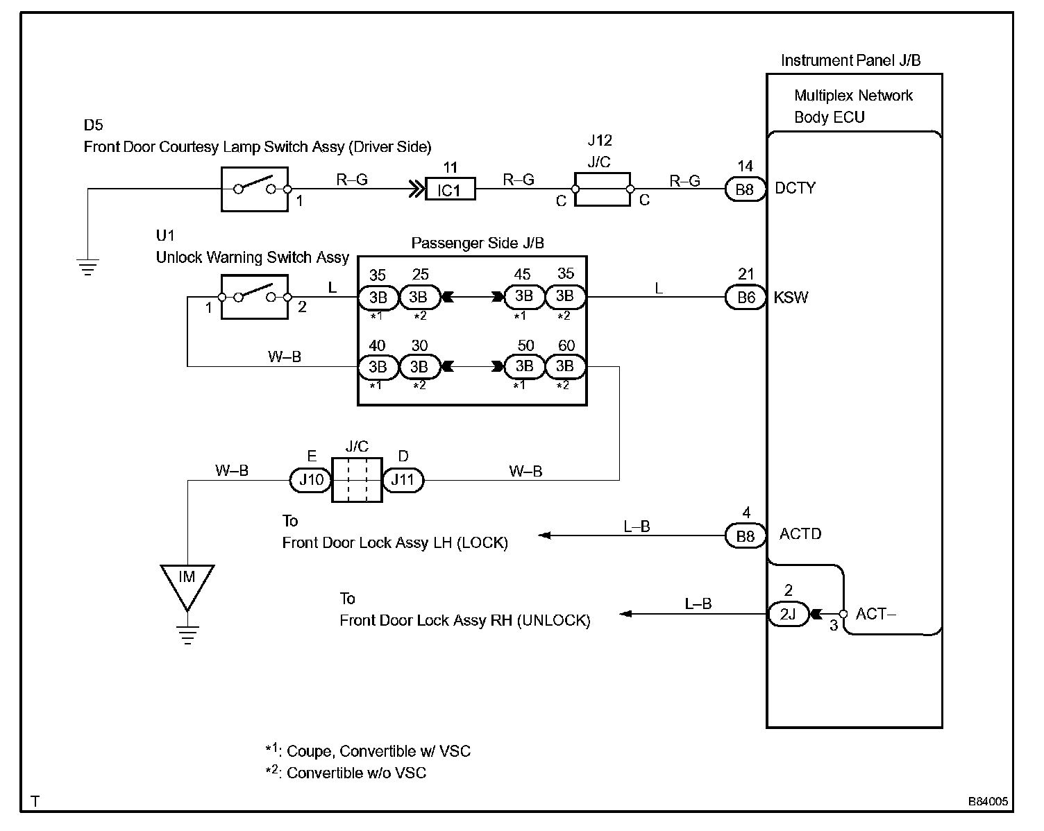
CIRCUIT DESCRIPTION
To prevent the key from being locked in the vehicle, the body ECU prevents doors from being locked by monitoring 2 switches: 1) the unlock warning switch, which turns ON when the key is inserted into the ignition key cylinder; and 2) the driver side courtesy lamp switch, which turns ON when the driver side door is opened.

Wiring Diagram:






Step 1 - 2:




Step 3 - 4:




Step 5 - 6:




INSPECTION PROCEDURE