Component Tests and General Diagnostics
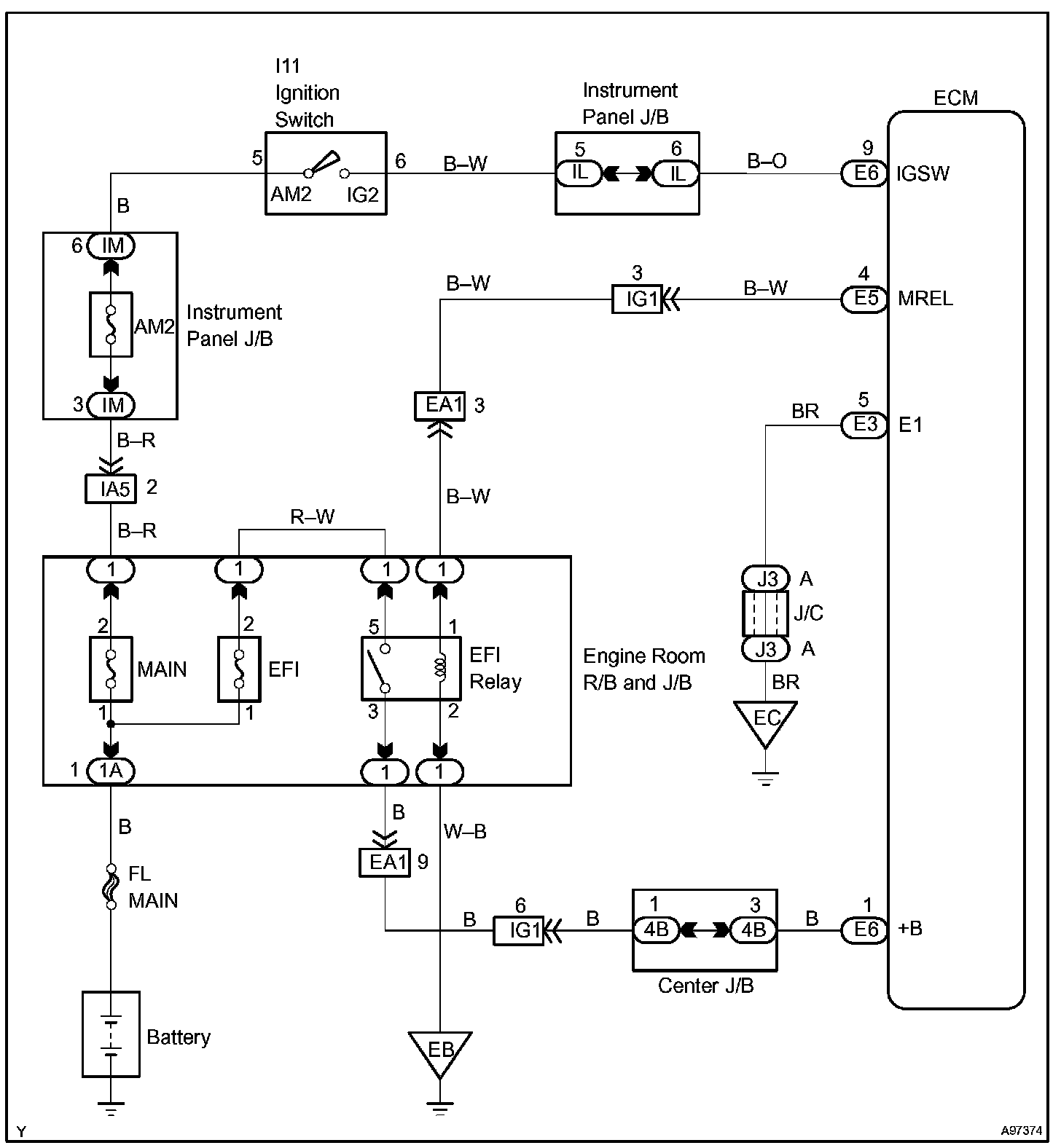
ECM POWER SOURCE CIRCUITCIRCUIT DESCRIPTION
When the ignition switch is turned to ON, the battery voltage is applied to terminal IGSW of the ECM. The ECM MREL output signal causes a current to flow to the coil, closing the contacts of the EFI relay and supplying power to terminal +B of the ECM.
Wiring Diagram:
Step 1 - 3:
Step 4 - 5:
Step 6:
INSPECTION PROCEDURE