Curiosii for ever!: Car repair manuals for everyone.

O/D Main Switch & O/D Off Indicator Light Circuit

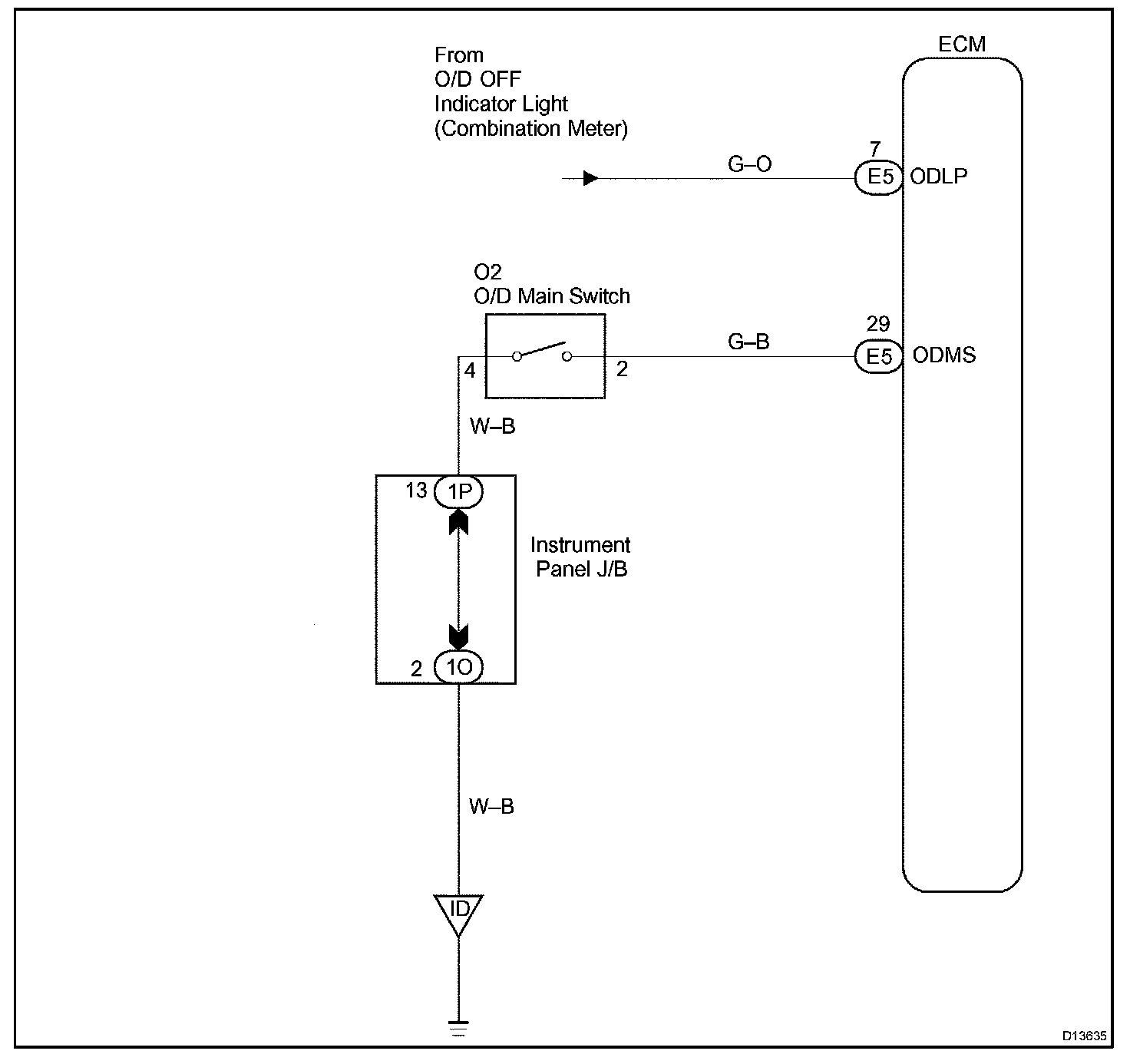
0/D Main Switch & 0/D OFF Indicator Light Circuit

CIRCUIT DESCRIPTION

The 0/D main switch is a momentary type switch. When pressing the 0/D main switch, the 0/D OFF indicator light lights up and ECM prohibits shifting to 0/D, and when pressing it again, the 0/D OFF indicator light goes off and ECM allows shifting to 0/D. Turning the IG switch OFF will reset the 0/D OFF indicator light.

Wiring Diagram:






Step 1 - 3:




Step 4 - 5:




INSPECTION PROCEDURE