Curiosii for ever!
: Car repair manuals for everyone.
Home
>>
Toyota
>>
2005
>>
Celica L4-1.8L (1ZZ-FE)
>>
Repair and Diagnosis
>>
Body and Frame
>>
Body Control Systems
>>
Testing and Inspection
>>
Component Tests and General Diagnostics
>>
Light Control Switch Circuit
Light Control Switch Circuit
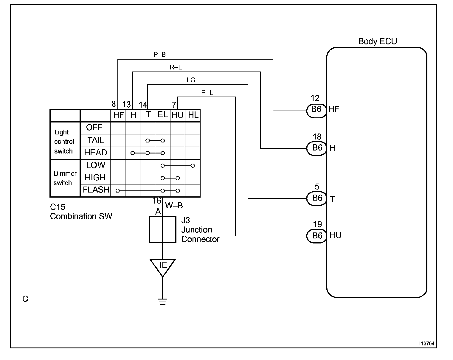
LIGHT CONTROL SWITCH CIRCUIT
CIRCUIT DESCRIPTION
This circuit detects the state of the light control switch.
Wiring Diagram:
Step 1 - 2:
INSPECTION PROCEDURE