Curiosii for ever!
: Car repair manuals for everyone.
Home
>>
Toyota
>>
2005
>>
Camry L4-2.4L (2AZ-FE)
>>
Repair and Diagnosis
>>
Powertrain Management
>>
Computers and Control Systems
>>
Information Bus
>>
Testing and Inspection
>>
Component Tests and General Diagnostics
>>
Skid Control ECU Communication Stop Mode
Skid Control ECU Communication Stop Mode
SKID CONTROL ECU COMMUNICATION STOP MODE
Detection Item:
CIRCUIT DESCRIPTION
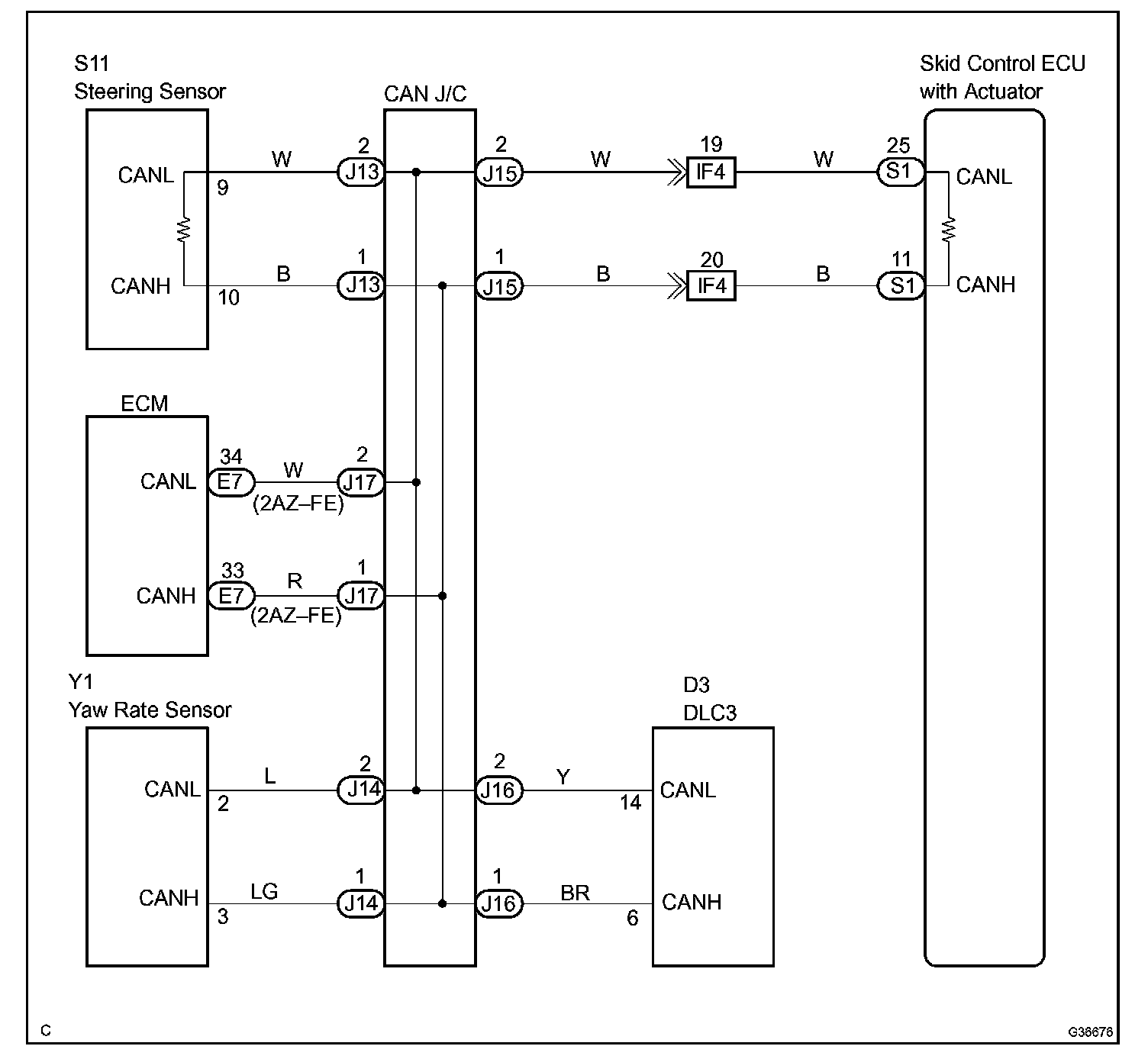
Wiring Diagram:
Step 1 - 3:
INSPECTION PROCEDURE