Curiosii for ever!: Car repair manuals for everyone.

Check CAN Bus Lines For Short Circuit

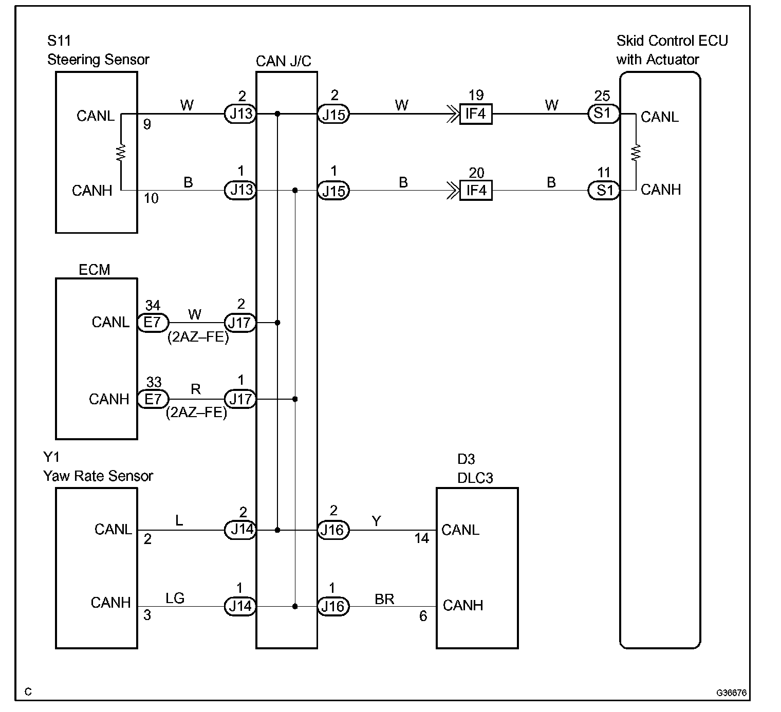
CHECK CAN BUS LINES FOR SHORT CIRCUIT

CIRCUIT DESCRIPTION




The CAN bus lines are considered to be shorted when the resistance between terminals 6 (CANH) and 14 CANL) of the DLC3 is below 54 Ohm.

Wiring Diagram:






Step 1 - 2:




Step 3 - 4:




Step 5 - 6:




Step 7 - 9:




Step 10 - 13:




INSPECTION PROCEDURE